ELP...H50 Gelenkbogenelement - Katalog produktów BAKS

ELP...H50 Gelenkbogenelement

1,5
Informationen

Vergrößerung des Radius des Gelenkbogens.

Material

S - Stahl verzinkt nach dem Sendzimir-Verfahren PN-EN 10346:2015-09
Auf Bestellung:
F - Feuerverzinkter Stahl im Tauchverfahren PN-EN ISO 1461:2023-02
E - Edelstahl
L - Pulverbeschichtung in einer standardmäßigen Farbe RAL

Zusätzliche Informationen

– Erstellung von Winkeln mit beliebigem Radius unter Verwendung von Gelenkverbindern

Version
BAKS – Kabeltragsysteme BAKS – Kabeltragsysteme
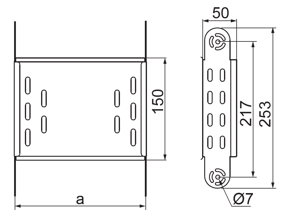
Symbol Katalog-Nr. 1 Stück (kg) Menge (Stück) Abstand a mm
ELP400H50
BAKS – Kabeltragsysteme
154240
BAKS – Kabeltragsysteme
1,32
BAKS – Kabeltragsysteme
1
BAKS – Kabeltragsysteme
400
Dazugeben
ELP500H50
BAKS – Kabeltragsysteme
154250
BAKS – Kabeltragsysteme
1,57
BAKS – Kabeltragsysteme
1
BAKS – Kabeltragsysteme
500
Dazugeben
ELP600H50
BAKS – Kabeltragsysteme
154260
BAKS – Kabeltragsysteme
1,82
BAKS – Kabeltragsysteme
1
BAKS – Kabeltragsysteme
600
Dazugeben