KSC...H100N Kabelrinne - Katalog produktów BAKS

KSC...H100N Kabelrinne

2,0
Informationen

Verlegung von Kabeltrassen in Hallen und Plätzen mit einer beschränkten Anzahl von Unterkonstruktionen. Aufgrund der guten Festigkeit der Kabelrinnen können die Stützen alle 8 m eingesetzt werden.

Material

S - Stahl verzinkt nach dem Sendzimir-Verfahren PN-EN 10346:2015-09
Auf Bestellung:
F - Feuerverzinkter Stahl im Tauchverfahren PN-EN ISO 1461:2023-02
E - Edelstahl
L - Pulverbeschichtung in einer standardmäßigen Farbe RAL

Zusätzliche Informationen

– Die Kabelrinnen sind für die Montage der UKZ1/UKZO1, UKZ2, UKZP1 und UKZP2 Kabelschellen rechten
Winkel)
– Option E – nur für Abschnitte von 3 m
– Bei großen Aufträgen sind folgende Ausführungen möglich: Kabelrinnen mit einer Länge von 2 bis 12 lfd.
Kabelrinnen aus Blech mit einer Dicke von 1,2; 2,5 mm

Achtung!
Verbindung von Kabelrinnen nur unter Einsatz von Verbindern.
Version
BAKS – Kabeltragsysteme BAKS – Kabeltragsysteme
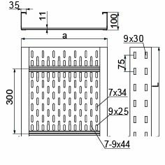
Symbol Katalog-Nr. Breite a mm Länge L mm 1 lfdm (kg) (kg) Menge in Packung (Stück / m.) NUTZQUER-SCHNITT (mm²) 3D Datei
BAKS – Kabeltragsysteme
200 mm
BAKS – Kabeltragsysteme
16400 mm
KSC200H100/3N
BAKS – Kabeltragsysteme
220120
BAKS – Kabeltragsysteme
200
BAKS – Kabeltragsysteme
3 000 mm
BAKS – Kabeltragsysteme
7,24 kg
BAKS – Kabeltragsysteme
2 / 6 Stück/m
BAKS – Kabeltragsysteme
16.400
Plik *.std Dazugeben
KSC200H100/6N
BAKS – Kabeltragsysteme
220121
BAKS – Kabeltragsysteme
200
BAKS – Kabeltragsysteme
6 000 mm
BAKS – Kabeltragsysteme
7,24 kg
BAKS – Kabeltragsysteme
2 / 12 Stück/m
BAKS – Kabeltragsysteme
16.400
Plik *.std Dazugeben
BAKS – Kabeltragsysteme
300 mm
BAKS – Kabeltragsysteme
24600 mm
KSC300H100/3N
BAKS – Kabeltragsysteme
220130
BAKS – Kabeltragsysteme
300
BAKS – Kabeltragsysteme
3 000 mm
BAKS – Kabeltragsysteme
8,14 kg
BAKS – Kabeltragsysteme
2 / 6 Stück/m
BAKS – Kabeltragsysteme
24.600
Plik *.std Dazugeben
KSC300H100/6N
BAKS – Kabeltragsysteme
220131
BAKS – Kabeltragsysteme
300
BAKS – Kabeltragsysteme
6 000 mm
BAKS – Kabeltragsysteme
8,14 kg
BAKS – Kabeltragsysteme
2 / 12 Stück/m
BAKS – Kabeltragsysteme
24.600
Plik *.std Dazugeben
BAKS – Kabeltragsysteme
400 mm
BAKS – Kabeltragsysteme
32800 mm
KSC400H100/3N
BAKS – Kabeltragsysteme
220140
BAKS – Kabeltragsysteme
400
BAKS – Kabeltragsysteme
3 000 mm
BAKS – Kabeltragsysteme
9,04 kg
BAKS – Kabeltragsysteme
2 / 6 Stück/m
BAKS – Kabeltragsysteme
32.800
Plik *.std Dazugeben
KSC400H100/6N
BAKS – Kabeltragsysteme
220141
BAKS – Kabeltragsysteme
400
BAKS – Kabeltragsysteme
6 000 mm
BAKS – Kabeltragsysteme
9,04 kg
BAKS – Kabeltragsysteme
2 / 12 Stück/m
BAKS – Kabeltragsysteme
32.800
Plik *.std Dazugeben
BAKS – Kabeltragsysteme
500 mm
BAKS – Kabeltragsysteme
41000 mm
KSC500H100/3N
BAKS – Kabeltragsysteme
220150
BAKS – Kabeltragsysteme
500
BAKS – Kabeltragsysteme
3 000 mm
BAKS – Kabeltragsysteme
9,94 kg
BAKS – Kabeltragsysteme
2 / 6 Stück/m
BAKS – Kabeltragsysteme
41.000
Plik *.std Dazugeben
KSC500H100/6N
BAKS – Kabeltragsysteme
220151
BAKS – Kabeltragsysteme
500
BAKS – Kabeltragsysteme
6 000 mm
BAKS – Kabeltragsysteme
9,94 kg
BAKS – Kabeltragsysteme
2 / 12 Stück/m
BAKS – Kabeltragsysteme
41.000
Plik *.std Dazugeben
BAKS – Kabeltragsysteme
600 mm
BAKS – Kabeltragsysteme
49200 mm
KSC600H100/3N
BAKS – Kabeltragsysteme
220160
BAKS – Kabeltragsysteme
600
BAKS – Kabeltragsysteme
3 000 mm
BAKS – Kabeltragsysteme
10,84 kg
BAKS – Kabeltragsysteme
2 / 6 Stück/m
BAKS – Kabeltragsysteme
49.200
Plik *.std Dazugeben
KSC600H100/6N
BAKS – Kabeltragsysteme
220161
BAKS – Kabeltragsysteme
600
BAKS – Kabeltragsysteme
6 000 mm
BAKS – Kabeltragsysteme
10,84 kg
BAKS – Kabeltragsysteme
2 / 12 Stück/m
BAKS – Kabeltragsysteme
49.200
Plik *.std Dazugeben
Belastung
BAKS – Kabeltragsysteme BAKS – Kabeltragsysteme

Qdop. (kN/m)
0.0
L (m)
0.0
Ausfüllung
BAKS – Kabeltragsysteme BAKS – Kabeltragsysteme
BAKS – Kabeltragsysteme
Kabel 1
BAKS – Kabeltragsysteme
BAKS – Kabeltragsysteme
Kabel 2
BAKS – Kabeltragsysteme
BAKS – Kabeltragsysteme
Kabel 3
BAKS – Kabeltragsysteme
BAKS – Kabeltragsysteme
Kabel 4
BAKS – Kabeltragsysteme
BAKS – Kabeltragsysteme
 
 
Ausfüllungsreserve (%)
BAKS – Kabeltragsysteme
Ausfüllungskorrektur (%)
BAKS – Kabeltragsysteme