KSP...H150 Kabelrinne - Katalog produktów BAKS

KSP...H150 Kabelrinne

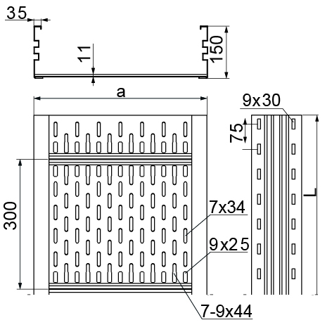
1,5
Informationen

Verlegung von Kabeltrassen in Hallen und Plätzen mit einer beschränkten Anzahl von Unterkonstruktionen. Aufgrund der guten Festigkeit der Kabelrinnen können die Stützen alle 8 m eingesetzt werden.

Material

S - Stahl verzinkt nach dem Sendzimir-Verfahren PN-EN 10346:2015-09
Auf Bestellung:
F - Feuerverzinkter Stahl im Tauchverfahren PN-EN ISO 1461:2023-02
E - Edelstahl
L - Pulverbeschichtung in einer standardmäßigen Farbe RAL

Zusätzliche Informationen

– Die Kabelrinnen sind für die Montage der UKZ1/UKZO1, UKZ2, UKZP1 und UKZP2 Kabelschellen rechten
Winkel)
– Option E – nur für Abschnitte von 3 m
– Bei großen Aufträgen sind folgende Ausführungen möglich: Kabelrinnen mit einer Länge von 2 bis 12 lfd.
Kabelrinnen aus Blech mit einer Dicke von 1,2; 2,5 mm

Achtung!
Verbindung von Kabelrinnen nur unter Einsatz von Verbindern.
Version
BAKS – Kabeltragsysteme BAKS – Kabeltragsysteme
Symbol Länge L mm Breite a mm Katalog-Nr. 1 lfdm (kg) (kg) NUTZQUER-SCHNITT (mm²) Menge in Packung (Stück / m.) 3D Datei
BAKS – Kabeltragsysteme
200 mm
BAKS – Kabeltragsysteme
27800 mm
KSP200H150/6
BAKS – Kabeltragsysteme
6 000 mm
BAKS – Kabeltragsysteme
200
BAKS – Kabeltragsysteme
270021
BAKS – Kabeltragsysteme
8,18 kg
BAKS – Kabeltragsysteme
27.800
BAKS – Kabeltragsysteme
1 / 6 Stück/m
Plik *.std Dazugeben
BAKS – Kabeltragsysteme
300 mm
BAKS – Kabeltragsysteme
37600 mm
KSP300H150/6
BAKS – Kabeltragsysteme
6 000 mm
BAKS – Kabeltragsysteme
300
BAKS – Kabeltragsysteme
270031
BAKS – Kabeltragsysteme
9,14 kg
BAKS – Kabeltragsysteme
37.600
BAKS – Kabeltragsysteme
1 / 6 Stück/m
Plik *.std Dazugeben
BAKS – Kabeltragsysteme
400 mm
BAKS – Kabeltragsysteme
50700 mm
KSP400H150/6
BAKS – Kabeltragsysteme
6 000 mm
BAKS – Kabeltragsysteme
400
BAKS – Kabeltragsysteme
270041
BAKS – Kabeltragsysteme
10,10 kg
BAKS – Kabeltragsysteme
50.700
BAKS – Kabeltragsysteme
1 / 6 Stück/m
Plik *.std Dazugeben
BAKS – Kabeltragsysteme
500 mm
BAKS – Kabeltragsysteme
63900 mm
KSP500H150/6
BAKS – Kabeltragsysteme
6 000 mm
BAKS – Kabeltragsysteme
500
BAKS – Kabeltragsysteme
270051
BAKS – Kabeltragsysteme
11,06 kg
BAKS – Kabeltragsysteme
63.900
BAKS – Kabeltragsysteme
1 / 6 Stück/m
Plik *.std Dazugeben
BAKS – Kabeltragsysteme
600 mm
BAKS – Kabeltragsysteme
87800 mm
KSP600H150/6
BAKS – Kabeltragsysteme
6 000 mm
BAKS – Kabeltragsysteme
600
BAKS – Kabeltragsysteme
270061
BAKS – Kabeltragsysteme
12,02 kg
BAKS – Kabeltragsysteme
87.800
BAKS – Kabeltragsysteme
1 / 6 Stück/m
Plik *.std Dazugeben
Belastung
BAKS – Kabeltragsysteme BAKS – Kabeltragsysteme

Qdop. (kN/m)
0.0
L (m)
0.0
Ausfüllung
BAKS – Kabeltragsysteme BAKS – Kabeltragsysteme
BAKS – Kabeltragsysteme
Kabel 1
BAKS – Kabeltragsysteme
BAKS – Kabeltragsysteme
Kabel 2
BAKS – Kabeltragsysteme
BAKS – Kabeltragsysteme
Kabel 3
BAKS – Kabeltragsysteme
BAKS – Kabeltragsysteme
Kabel 4
BAKS – Kabeltragsysteme
BAKS – Kabeltragsysteme
 
 
Ausfüllungsreserve (%)
BAKS – Kabeltragsysteme
Ausfüllungskorrektur (%)
BAKS – Kabeltragsysteme