LKKSU...H120 Łącznik kątowy krótki - Katalog produktów BAKS

LKKSU...H120 Łącznik kątowy krótki

BAKS – Kabeltragsysteme
Informationen

Łączenie dociętych korytek i drabinek samonośnych prowadzonych pod różnym kątem.

Material

 

S - stal cynkowana met. Sendzimira PN-EN 10346:2015-09
Na zamówienie:
F - stal cynkowana metodą zanurzeniową PN-EN ISO 1461:2023-02
E - stal nierdzewna
L - lakierowanie w standardowej palecie RAL

S - stal cynkowana met. Sendzimira PN-EN 10346:2015-09

Na zamówienie:

F - stal cynkowana metodą zanurzeniową PN-EN ISO 1461:2023-02

E - stal nierdzewna

L - lakierowanie w standardowej palecie RAL

 

Zusätzliche Informationen

 

– łączenie drabin bez docinania przy użyciu dwóch łączników
kątowych krótkiego LKKSU... i długiego LKSU... o długości 800 mm
- duży zakres regulacji kąta (obniżenie ceny połączenia)
– łączenie drabin bez docinania przy użyciu dwóch łączników
kątowych krótkich LKKSU... - mały zakres regulacji kąta
(obniżenie ceny połączenia)
– łączenie drabin z docinaniem boku drabiny wewnętrznej przy
użyciu dwóch łączników kątowych krótkich LKKSU... - duży
zakres regulacji kąta (obniżenie ceny połączenia)
– do montażu proponujemy 4 kpl. śrub SGKM8x16 lub SGM8x16

– łączenie drabin bez docinania przy użyciu dwóch łączników kątowych krótkiego LKKSU... i długiego LKSU... o długości 800 mm

- duży zakres regulacji kąta (obniżenie ceny połączenia)

– łączenie drabin bez docinania przy użyciu dwóch łączników kątowych krótkich LKKSU... - mały zakres regulacji kąta (obniżenie ceny połączenia)

– łączenie drabin z docinaniem boku drabiny wewnętrznej przy użyciu dwóch łączników kątowych krótkich LKKSU... - duży zakres regulacji kąta (obniżenie ceny połączenia)

– do montażu proponujemy 4 kpl. śrub SGKM8x16 lub SGM8x16

 

Version
BAKS – Kabeltragsysteme BAKS – Kabeltragsysteme
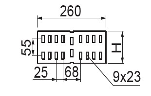
Symbol Katalog-Nr. Höhe H mm 1 Stück (kg) Menge (Stück)
LKKSUPH120
BAKS – Kabeltragsysteme
243305
BAKS – Kabeltragsysteme
124
BAKS – Kabeltragsysteme
0,52
BAKS – Kabeltragsysteme
10
Dazugeben
LKKSUCH120
BAKS – Kabeltragsysteme
243306
BAKS – Kabeltragsysteme
125
BAKS – Kabeltragsysteme
0,69
BAKS – Kabeltragsysteme
10
Dazugeben
Beispiel
BAKS – Kabeltragsysteme BAKS – Kabeltragsysteme