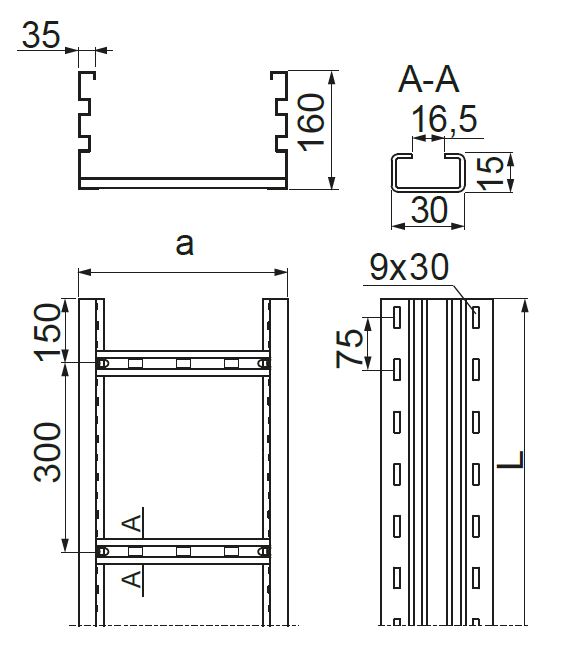
DSC...H160 Drabinka - Katalog produktów BAKS
2,0 Chemins de câble - BAKS Chemins de câble - BAKS
Informations

Prowadzenie trasy kablowej w halach lub miejscach o ograniczonej ilości konstrukcji wsporczych.
Duża wytrzymałość koryt pozwala na stosowanie podpór nawet co 8 m.

Materiél

S - stal cynkowana metodą Sendzimira PN-EN 10346:2015-09
Na zamówienie:
F - stal cynkowana metodą zanurzeniową PN-EN ISO 1461:2023-02

E - stal nierdzewna
L - lakierowanie w standardowej palecie RAL

Informations supplémentaires

– drabina ze szczeblami przystosowanymi do montowania uchwytów kablowych UK/UKO... i UKP...
– przy dużych zamówieniach możliwość wykonania: drabinek o długościach od 2 do 12 m i drabinek z blachy o grubościach 1,2 lub 2,5 mm

– opcja E - tylko dla odcinków do 3 m - wykonanie bez przetłoczeń w bokach i z rzadszą perforacją w dnie
burty (istnieje możliwość dostarczenia do klienta połączonych łącznikami dwóch odcinków 3 m dających
długość 6 m)

– opcja E - tylko dla odcinków do 3 m - wykonanie bez przetłoczeń w bokach i z rzadszą perforacją w dnie burty (istnieje możliwość dostarczenia do klienta połączonych łącznikami dwóch odcinków 3 m dających długość 6 m)

 

Versions
Chemins de câble - BAKS Chemins de câble - BAKS
Symbole Longueur L (mm) Largeur a (mm) Numéro de catalogue La quantité dans l'emballage (pièces / m.) Collier 1m (kg) Coupe efficace (mm2) 3D file
Chemins de câble - BAKS
200 mm
Chemins de câble - BAKS
29800 mm
DSC200H160/6
Chemins de câble - BAKS
6 000 mm
Chemins de câble - BAKS
200
Chemins de câble - BAKS
442116
Chemins de câble - BAKS
1 / 6 pcs. / m
Chemins de câble - BAKS
8,97 kg
Chemins de câble - BAKS
29 800
Plik *.std Ajoutez
Chemins de câble - BAKS
300 mm
Chemins de câble - BAKS
40600 mm
DSC300H160/6
Chemins de câble - BAKS
6 000 mm
Chemins de câble - BAKS
300
Chemins de câble - BAKS
443116
Chemins de câble - BAKS
1 / 6 pcs. / m
Chemins de câble - BAKS
9,11 kg
Chemins de câble - BAKS
40 600
Plik *.std Ajoutez
Chemins de câble - BAKS
400 mm
Chemins de câble - BAKS
54700 mm
DSC400H160/6
Chemins de câble - BAKS
6 000 mm
Chemins de câble - BAKS
400
Chemins de câble - BAKS
444116
Chemins de câble - BAKS
1 / 6 pcs. / m
Chemins de câble - BAKS
9,60 kg
Chemins de câble - BAKS
54 700
Plik *.std Ajoutez
Chemins de câble - BAKS
500 mm
Chemins de câble - BAKS
68900 mm
DSC500H160/6
Chemins de câble - BAKS
6 000 mm
Chemins de câble - BAKS
500
Chemins de câble - BAKS
445116
Chemins de câble - BAKS
1 / 6 pcs. / m
Chemins de câble - BAKS
9,88 kg
Chemins de câble - BAKS
68 900
Plik *.std Ajoutez
Chemins de câble - BAKS
600 mm
Chemins de câble - BAKS
93800 mm
DSC600H160/6
Chemins de câble - BAKS
6 000 mm
Chemins de câble - BAKS
600
Chemins de câble - BAKS
446116
Chemins de câble - BAKS
1 / 6 pcs. / m
Chemins de câble - BAKS
10,13 kg
Chemins de câble - BAKS
93 800
Plik *.std Ajoutez
Sollicitation
Chemins de câble - BAKS Chemins de câble - BAKS

Qdop. (kN/m)
0.0
L (m)
0.0
Remplissage
Chemins de câble - BAKS Chemins de câble - BAKS
Chemins de câble - BAKS
Câble 1
Chemins de câble - BAKS
Chemins de câble - BAKS
Câble 2
Chemins de câble - BAKS
Chemins de câble - BAKS
Câble 3
Chemins de câble - BAKS
Chemins de câble - BAKS
Câble 4
Chemins de câble - BAKS
Chemins de câble - BAKS
 
 
Réserve de remplissage (%)
Chemins de câble - BAKS
Correction du remplissage (%)
Chemins de câble - BAKS