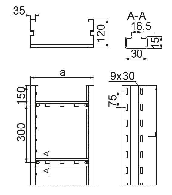
DSP...H120 Echelle - Katalog produktów BAKS
1,5
Informations

Conduction du chemin de câbles dans les
grandes espaces ou dans des endroits à
une quantité de constructions de support
limitée. Une grande résistance des échelles
permet à installer des supports même tous
les 8m.

Materiél

Acier galvanisé par méthode Sendzimir
PN-EN 10346:2011.
Sur commande:
F- acier galvanisé par immersion
PN-EN ISO 1461:2011
E- acier résistant aux acides PN-EN 10088,
segments jusqu'à 3 m.
L- vernis de couleur standard RAL

Informations supplémentaires

Echelles aux échelons adaptés à l'assemblage
des poignées de câbles UK/UKO
ATTENTION
En cas de commandes importantes possibilité de réalisation:
- d'échelles aux bords perforés
- d'échelles d'une longueur de 2 à 12 m.
- d'échelles de rôle épaisse de 1,2; 2,5 mm.

Versions
Chemins de câble - BAKS Chemins de câble - BAKS
Symbole Longueur L (mm) Largeur a (mm) Numéro de catalogue La quantité dans l'emballage (pièces / m.) Collier 1m (kg) Coupe efficace (mm2) 3D file
Chemins de câble - BAKS
200 mm
Chemins de câble - BAKS
22600 mm
DSP200H120/3
Chemins de câble - BAKS
3 000 mm
Chemins de câble - BAKS
200
Chemins de câble - BAKS
430123
Chemins de câble - BAKS
2 / 6 pcs. / m
Chemins de câble - BAKS
5,70 kg
Chemins de câble - BAKS
22 600
Plik *.std Ajoutez
DSP200H120/6
Chemins de câble - BAKS
6 000 mm
Chemins de câble - BAKS
200
Chemins de câble - BAKS
430226
Chemins de câble - BAKS
2 / 12 pcs. / m
Chemins de câble - BAKS
5,70 kg
Chemins de câble - BAKS
22 600
Plik *.std Ajoutez
Chemins de câble - BAKS
300 mm
Chemins de câble - BAKS
34600 mm
DSP300H120/3
Chemins de câble - BAKS
3 000 mm
Chemins de câble - BAKS
300
Chemins de câble - BAKS
430133
Chemins de câble - BAKS
2 / 6 pcs. / m
Chemins de câble - BAKS
5,98 kg
Chemins de câble - BAKS
34 600
Plik *.std Ajoutez
DSP300H120/6
Chemins de câble - BAKS
6 000 mm
Chemins de câble - BAKS
300
Chemins de câble - BAKS
430236
Chemins de câble - BAKS
2 / 12 pcs. / m
Chemins de câble - BAKS
5,98 kg
Chemins de câble - BAKS
34 600
Plik *.std Ajoutez
Chemins de câble - BAKS
400 mm
Chemins de câble - BAKS
46600 mm
DSP400H120/3
Chemins de câble - BAKS
3 000 mm
Chemins de câble - BAKS
400
Chemins de câble - BAKS
430143
Chemins de câble - BAKS
2 / 6 pcs. / m
Chemins de câble - BAKS
6,27 kg
Chemins de câble - BAKS
46 600
Plik *.std Ajoutez
DSP400H120/6
Chemins de câble - BAKS
6 000 mm
Chemins de câble - BAKS
400
Chemins de câble - BAKS
430246
Chemins de câble - BAKS
2 / 12 pcs. / m
Chemins de câble - BAKS
6,27 kg
Chemins de câble - BAKS
46 600
Plik *.std Ajoutez
Chemins de câble - BAKS
500 mm
Chemins de câble - BAKS
58600 mm
DSP500H120/3
Chemins de câble - BAKS
3 000 mm
Chemins de câble - BAKS
500
Chemins de câble - BAKS
430153
Chemins de câble - BAKS
2 / 6 pcs. / m
Chemins de câble - BAKS
6,56 kg
Chemins de câble - BAKS
58 600
Plik *.std Ajoutez
DSP500H120/6
Chemins de câble - BAKS
6 000 mm
Chemins de câble - BAKS
500
Chemins de câble - BAKS
430256
Chemins de câble - BAKS
2 / 12 pcs. / m
Chemins de câble - BAKS
6,56 kg
Chemins de câble - BAKS
58 600
Plik *.std Ajoutez
Chemins de câble - BAKS
600 mm
Chemins de câble - BAKS
70600 mm
DSP600H120/3
Chemins de câble - BAKS
3 000 mm
Chemins de câble - BAKS
600
Chemins de câble - BAKS
430163
Chemins de câble - BAKS
2 / 6 pcs. / m
Chemins de câble - BAKS
6,85 kg
Chemins de câble - BAKS
70 600
Plik *.std Ajoutez
DSP600H120/6
Chemins de câble - BAKS
6 000 mm
Chemins de câble - BAKS
600
Chemins de câble - BAKS
430266
Chemins de câble - BAKS
2 / 12 pcs. / m
Chemins de câble - BAKS
6,85 kg
Chemins de câble - BAKS
70 600
Plik *.std Ajoutez
Sollicitation
Chemins de câble - BAKS Chemins de câble - BAKS

Qdop. (kN/m)
0.0
L (m)
0.0
Remplissage
Chemins de câble - BAKS Chemins de câble - BAKS
Chemins de câble - BAKS
Câble 1
Chemins de câble - BAKS
Chemins de câble - BAKS
Câble 2
Chemins de câble - BAKS
Chemins de câble - BAKS
Câble 3
Chemins de câble - BAKS
Chemins de câble - BAKS
Câble 4
Chemins de câble - BAKS
Chemins de câble - BAKS
 
 
Réserve de remplissage (%)
Chemins de câble - BAKS
Correction du remplissage (%)
Chemins de câble - BAKS