ELP...H50 Elément de l'arc articulé - Katalog produktów BAKS

ELP...H50 Elément de l'arc articulé

1,5
Informations

Changement de la direction de conduite du chemin
de câble

Materiél

Acier galvanisé par méthode
Sendzimir PN-EN 10346:2011.
Sur commande:
F - acier galvanisé par immersion
PN-EN ISO 1461:2011
E - acier résistant aux acides PN-EN 10088
L - vernis de couleur standard RAL

Informations supplémentaires

Réalisation d'arcs à un rayon nécessaire par assemblage de
raccords articulés

Versions
Chemins de câble - BAKS Chemins de câble - BAKS
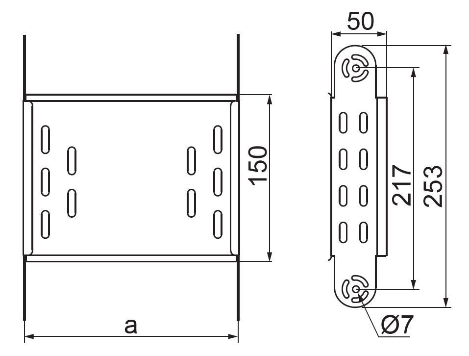
Symbole Numéro de catalogue Poids 1 szt. (kg) Nombre (pcs.) Dimension a (mm)
ELP400H50
Chemins de câble - BAKS
154240
Chemins de câble - BAKS
1,32
Chemins de câble - BAKS
1
Chemins de câble - BAKS
400
Ajoutez
ELP500H50
Chemins de câble - BAKS
154250
Chemins de câble - BAKS
1,57
Chemins de câble - BAKS
1
Chemins de câble - BAKS
500
Ajoutez
ELP600H50
Chemins de câble - BAKS
154260
Chemins de câble - BAKS
1,82
Chemins de câble - BAKS
1
Chemins de câble - BAKS
600
Ajoutez