KST...H100N Chemin de câbles - Katalog produktów BAKS

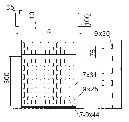
KST...H100N Chemin de câbles

3,0
Informations

Parcours du chemin de câbles dans les halles
ou endroits d'un nombre limité de constructions
de support. Une grande résistance des Chemin
de câbless permet d'appliquer des supports
même tous les 8 m.

Materiél

Acier galvanisé par méthode Sendzimir
PN-EN 10346:2011.
Sur commande:
F- acier galvanisé par immersion

PN-EN ISO 1461:2011
E- acier résistant aux acides, acier résistant
aux acides, segments jusqu'à 3 m, réalisé
avec une perforation plus clairsemée

L- vernis de couleur standard RAL

Informations supplémentaires

En cas de grandes commandes possibilité de réalisation::
- d'Chemin de câbless aux bords perforés
- d'Chemin de câbless d'une longueur de 2 à 12 m.
- d'Chemin de câbless de tôle d'une épaisseur 1,2; 2,5 mm.

Chemin de câbless adaptés à l'assemblage aux poignées de câbles
UKZ1/UKZO1 et UKZ2

Remarque! Raccordement des augets uniquement à l'aide de raccords supplémentaires
Versions
Chemins de câble - BAKS Chemins de câble - BAKS
Symbole Numéro de catalogue Largeur a (mm) Longueur L (mm) Collier 1m (kg) La quantité dans l'emballage (pièces / m.) Coupe efficace (mm2) 3D file
Chemins de câble - BAKS
200 mm
Chemins de câble - BAKS
16400 mm
KST200H100/6N
Chemins de câble - BAKS
220221
Chemins de câble - BAKS
200
Chemins de câble - BAKS
6 000 mm
Chemins de câble - BAKS
9,67 kg
Chemins de câble - BAKS
2 / 12 pcs. / m
Chemins de câble - BAKS
16 400
Plik *.std Ajoutez
Chemins de câble - BAKS
300 mm
Chemins de câble - BAKS
24600 mm
KST300H100/6N
Chemins de câble - BAKS
220231
Chemins de câble - BAKS
300
Chemins de câble - BAKS
6 000 mm
Chemins de câble - BAKS
10,57 kg
Chemins de câble - BAKS
2 / 12 pcs. / m
Chemins de câble - BAKS
24 600
Plik *.std Ajoutez
Chemins de câble - BAKS
400 mm
Chemins de câble - BAKS
32800 mm
KST400H100/6N
Chemins de câble - BAKS
220241
Chemins de câble - BAKS
400
Chemins de câble - BAKS
6 000 mm
Chemins de câble - BAKS
11,47 kg
Chemins de câble - BAKS
2 / 12 pcs. / m
Chemins de câble - BAKS
32 800
Plik *.std Ajoutez
Chemins de câble - BAKS
500 mm
Chemins de câble - BAKS
41000 mm
KST500H100/6N
Chemins de câble - BAKS
220251
Chemins de câble - BAKS
500
Chemins de câble - BAKS
6 000 mm
Chemins de câble - BAKS
12,37 kg
Chemins de câble - BAKS
2 / 12 pcs. / m
Chemins de câble - BAKS
41 000
Plik *.std Ajoutez
Chemins de câble - BAKS
600 mm
Chemins de câble - BAKS
49200 mm
KST600H100/6N
Chemins de câble - BAKS
220261
Chemins de câble - BAKS
600
Chemins de câble - BAKS
6 000 mm
Chemins de câble - BAKS
13,27 kg
Chemins de câble - BAKS
2 / 12 pcs. / m
Chemins de câble - BAKS
49 200
Plik *.std Ajoutez
Sollicitation
Chemins de câble - BAKS Chemins de câble - BAKS

Qdop. (kN/m)
0.0
L (m)
0.0
Remplissage
Chemins de câble - BAKS Chemins de câble - BAKS
Chemins de câble - BAKS
Câble 1
Chemins de câble - BAKS
Chemins de câble - BAKS
Câble 2
Chemins de câble - BAKS
Chemins de câble - BAKS
Câble 3
Chemins de câble - BAKS
Chemins de câble - BAKS
Câble 4
Chemins de câble - BAKS
Chemins de câble - BAKS
 
 
Réserve de remplissage (%)
Chemins de câble - BAKS
Correction du remplissage (%)
Chemins de câble - BAKS