LKKSU...H110 Łącznik kątowy krótki - Katalog produktów BAKS

LKKSU...H110 Łącznik kątowy krótki

Chemins de câble - BAKS
Informations

Łączenie dociętych korytek i drabinek samonośnych prowadzonych pod różnym kątem.

Materiél

 

S - stal cynkowana met. Sendzimira PN-EN 10346:2015-09
Na zamówienie:
F - stal cynkowana metodą zanurzeniową PN-EN ISO 1461:2023-02
E - stal nierdzewna
L - lakierowanie w standardowej palecie RAL

S - stal cynkowana met. Sendzimira PN-EN 10346:2015-09

Na zamówienie:

F - stal cynkowana metodą zanurzeniową PN-EN ISO 1461:2023-02

E - stal nierdzewna

L - lakierowanie w standardowej palecie RAL

 

Informations supplémentaires

 

– łączenie drabin bez docinania przy użyciu dwóch łączników
kątowych krótkiego LKKSU... i długiego LKSU... o długości 800 mm
- duży zakres regulacji kąta (obniżenie ceny połączenia)
– łączenie drabin bez docinania przy użyciu dwóch łączników
kątowych krótkich LKKSU... - mały zakres regulacji kąta
(obniżenie ceny połączenia)
– łączenie drabin z docinaniem boku drabiny wewnętrznej przy
użyciu dwóch łączników kątowych krótkich LKKSU... - duży
zakres regulacji kąta (obniżenie ceny połączenia)
– do montażu proponujemy 4 kpl. śrub SGKM8x16 lub SGM8x16

– łączenie drabin bez docinania przy użyciu dwóch łączników kątowych krótkiego LKKSU... i długiego LKSU... o długości 800 mm

- duży zakres regulacji kąta (obniżenie ceny połączenia)

– łączenie drabin bez docinania przy użyciu dwóch łączników kątowych krótkich LKKSU... - mały zakres regulacji kąta (obniżenie ceny połączenia)

– łączenie drabin z docinaniem boku drabiny wewnętrznej przy użyciu dwóch łączników kątowych krótkich LKKSU... - duży zakres regulacji kąta (obniżenie ceny połączenia)

– do montażu proponujemy 4 kpl. śrub SGKM8x16 lub SGM8x16

 

Versions
Chemins de câble - BAKS Chemins de câble - BAKS
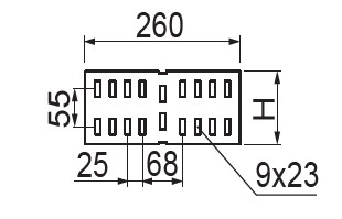
Symbole Numéro de catalogue Hauteur H (mm) Poids 1 szt. (kg) Nombre (pcs.)
LKKSUPH110
Chemins de câble - BAKS
233305
Chemins de câble - BAKS
114
Chemins de câble - BAKS
0,49
Chemins de câble - BAKS
10
Ajoutez
LKKSUCH110
Chemins de câble - BAKS
233306
Chemins de câble - BAKS
115
Chemins de câble - BAKS
0,64
Chemins de câble - BAKS
10
Ajoutez
Exemples
Chemins de câble - BAKS Chemins de câble - BAKS