PUP Podkładka uziemiająca do ram paneli fotowoltaicznych - Katalog produktów BAKS

PUP Podkładka uziemiająca do ram paneli fotowoltaicznych

Informations

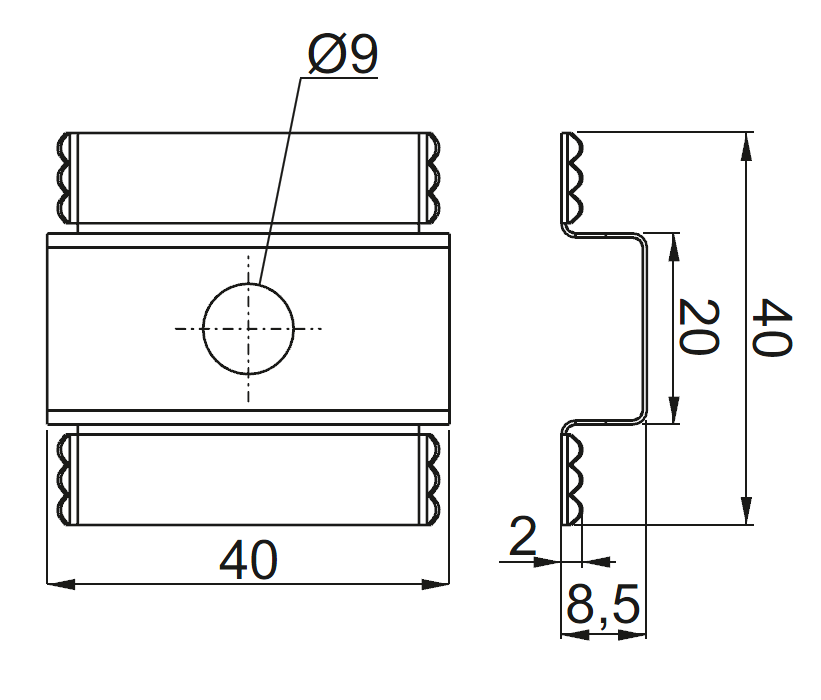
Montaż w miejscu styku ram paneli z konstrukcją nośną w celu zapewnienia ciągłości elektrycznej.

Materiél

Stal nierdzewna.

Informations supplémentaires

Zalety:
- brak konieczności stosowania połączeń uziemiających (wyrównawczych) w postaci linek
- przyspieszenie czasu montażu instalacji
- umożliwia zastosowanie zwykłych pośrednich uchwytów panelu
- poprawa bezpieczeństwa
- zapewnia ciągłość elektryczną

Versions
Chemins de câble - BAKS Chemins de câble - BAKS
Symbole Numéro de catalogue Poids 1 szt. (kg) Nombre (pcs.)
PUP
Chemins de câble - BAKS
897303
Chemins de câble - BAKS
0,05
Chemins de câble - BAKS
100
Ajoutez
Exemples
Chemins de câble - BAKS Chemins de câble - BAKS