RLDST...H150 Réduction gauche - Katalog produktów BAKS

RLDST...H150 Réduction gauche

3,0
Informations

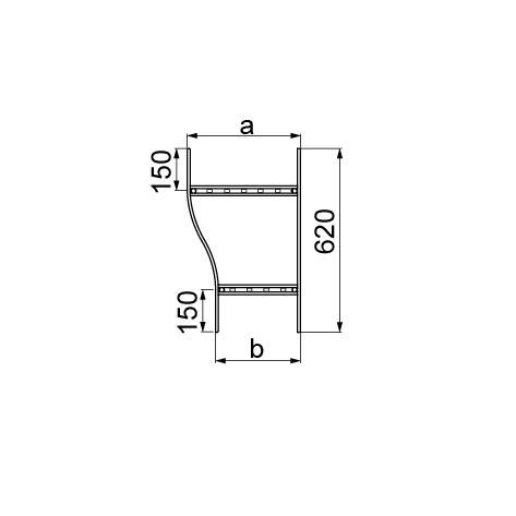
Changement de la largeur d'un chemin de câbles.

Materiél

Acier galvanisé par méthode Sendzimir
PN-EN 10346:2011.
Sur commande:
F- acier galvanisé par immersion
PN-EN ISO 1461:2011
E- acier résistant aux acides PN-EN 10088,
L- vernis de couleur standard RAL

Informations supplémentaires

En cas de commandes spécifiques il faut indiquer les dimension a et b.
Sur demande des pièces de forme de tout rayon. Pour assemblage d'une
pièce de forme avec l'échelle nous préconisons des 4 raccords de pièces
de forme LSSUH... et 40 éns. de vis SGKM8x16.

Versions
Chemins de câble - BAKS Chemins de câble - BAKS
Symbole Dimension a (mm) Dimension b (mm) Poids 1 szt. (kg) Numéro de catalogue Nombre (pcs.)
RLDST300/200H150
Chemins de câble - BAKS
300
Chemins de câble - BAKS
200
Chemins de câble - BAKS
5,97
Chemins de câble - BAKS
433133
Chemins de câble - BAKS
1
Ajoutez
RLDST400/300H150
Chemins de câble - BAKS
400
Chemins de câble - BAKS
300
Chemins de câble - BAKS
6,17
Chemins de câble - BAKS
433143
Chemins de câble - BAKS
1
Ajoutez
RLDST500/400H150
Chemins de câble - BAKS
500
Chemins de câble - BAKS
400
Chemins de câble - BAKS
6,37
Chemins de câble - BAKS
433153
Chemins de câble - BAKS
1
Ajoutez
RLDST600/500H150
Chemins de câble - BAKS
600
Chemins de câble - BAKS
500
Chemins de câble - BAKS
6,57
Chemins de câble - BAKS
433163
Chemins de câble - BAKS
1
Ajoutez