ZCV Pince - Katalog produktów BAKS
5,0
Informations

Fixage de barres, colliers etc. aux:
profilés en double T, cornières etc.

Materiél

Acier galvanisé par immersion
PN-EN ISO 1461:2011
Sur commande:
E- acier résistant aux acides PN-EN 10088
L- vernis de couleur standard RAL

Informations supplémentaires

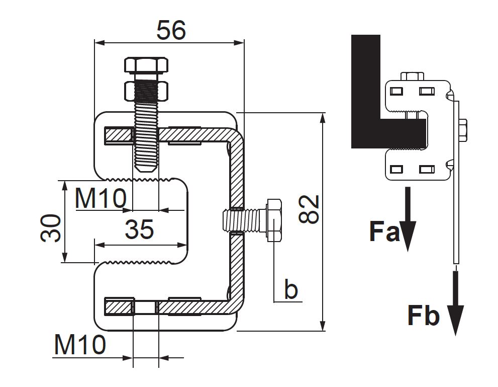
La pince ZCV a 3 trous filetés M10 permettant un
montage à l'aide d'un vis

 

Le vis marqué en vert est ajouté séparément c.-à-d. à l'emballage
conditionné avec pinces et vis installés avec des contre-écrous,
des vis supplémentaires sont ajoutés dans un emballage isolé.

Versions
Chemins de câble - BAKS Chemins de câble - BAKS
Symbole Numéro de catalogue Chargement maximal Fa max (kN) Chargement maximal Fb max (kN) Poids 1 szt. (kg) Nombre (pcs.)
ZCV
Chemins de câble - BAKS
752301
Chemins de câble - BAKS
3,50
Chemins de câble - BAKS
2
Chemins de câble - BAKS
0,40
Chemins de câble - BAKS
30
Ajoutez
Exemples
Chemins de câble - BAKS Chemins de câble - BAKS