COPC40H20/2 Ceownik - Katalog produktów BAKS
2,0 Trasy kablowe - BAKS
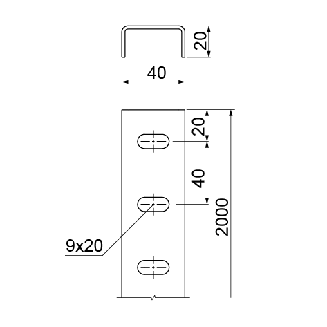
Informacje

Podwieszanie elementów instalacji.

Materiał

F - stal cynkowana metodą zanurzeniową PN-EN ISO 1461:2023-02
Na zamówienie:
E - stal nierdzewna

Wersje
Trasy kablowe - BAKS Trasy kablowe - BAKS
Symbol Numer katalogowy Waga 1 szt. (kg) Ilość (szt.)
COPC40H20/2
Trasy kablowe - BAKS
424202
Trasy kablowe - BAKS
2,56
Trasy kablowe - BAKS
2
Dodaj