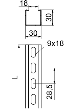
Do podwieszania lamp i jako element konstrukcyjny do mocowania drabinek i korytek kablowych.
Jako element wsporczy dla wysięgników: WWSR..., WW..., WWS/WWSO..., WU/WUO..., WWSN...
      Materiał    
    S - stal cynkowana met. Sendzimira PN-EN 10346:2015-09
Na zamówienie:
F - stal cynkowana metodą zanurzeniową PN-EN ISO 1461:2023-02
E - stal nierdzewna
L - lakierowanie w standardowej palecie RAL
      Dodatkowe informacje    
    – na duże zamówienie możliwość wykonania dowolnych odcinków do 6 m
– do montażu ceownika z łącznikiem należy użyć śrub SGKM8x14 lub SGM8x14
– opcja F dostępna przy zamówieniu powyżej 300 m
