DSP...H120 Drabinka - Katalog produktów BAKS
1,5
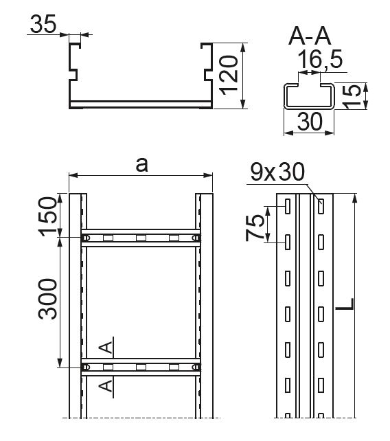
Informacje

Prowadzenie trasy kablowej w halach lub miejscach o ograniczonej ilości konstrukcji wsporczych.
Duża wytrzymałość koryt pozwala na stosowanie podpór nawet co 8 m.

Materiał

S - stal cynkowana metodą Sendzimira PN-EN 10346:2015-09
Na zamówienie:
F - stal cynkowana metodą zanurzeniową PN-EN ISO 1461:2023-02
E - stal nierdzewna
L - lakierowanie w standardowej palecie RAL

Dodatkowe informacje
– drabina ze szczeblami przystosowanymi do montowania uchwytów kablowych UK/UKO... i UKP...
– opcja E - tylko dla odcinków do 3 m - wykonanie bez przetłoczeń w bokach i z rzadszą perforacją w dnie
burty (istnieje możliwość dostarczenia do klienta połączonych łącznikami dwóch odcinków 3 m dających
długość 6 m)
– przy dużych zamówieniach możliwość wykonania drabinek o długościach od 2 do 12 m i drabinek z blachy
o grubościach 1,2 lub 2,5 mm
– * - produkt dostępny na zamówienie powyżej 200 m

– drabina ze szczeblami przystosowanymi do montowania uchwytów kablowych UK/UKO... i UKP...

– opcja E - tylko dla odcinków do 3 m - wykonanie bez przetłoczeń w bokach i z rzadszą perforacją w dnie burty (istnieje możliwość dostarczenia do klienta połączonych łącznikami dwóch odcinków 3 m dających długość 6 m)

– przy dużych zamówieniach możliwość wykonania drabinek o długościach od 2 do 12 m i drabinek z blachy o grubościach 1,2 lub 2,5 mm

– * - produkt dostępny na zamówienie powyżej 200 m

Wersje
Trasy kablowe - BAKS Trasy kablowe - BAKS
Symbol Wymiar L (mm) Wymiar a (mm) Numer katalogowy Ilość w opakowaniu (szt. / m. b.) Ciężar 1mb (kg) Przekrój użyteczny (mm2) Plik 3D
Trasy kablowe - BAKS
200 mm
Trasy kablowe - BAKS
22600 mm
DSP200H120/3
Trasy kablowe - BAKS
3 000 mm
Trasy kablowe - BAKS
200
Trasy kablowe - BAKS
430123
Trasy kablowe - BAKS
2 / 6 szt. / m. b.
Trasy kablowe - BAKS
5,70 kg
Trasy kablowe - BAKS
22 600
Plik *.std Dodaj
DSP200H120/6
Trasy kablowe - BAKS
6 000 mm
Trasy kablowe - BAKS
200
Trasy kablowe - BAKS
430226
Trasy kablowe - BAKS
2 / 12 szt. / m. b.
Trasy kablowe - BAKS
5,70 kg
Trasy kablowe - BAKS
22 600
Plik *.std Dodaj
Trasy kablowe - BAKS
300 mm
Trasy kablowe - BAKS
34600 mm
DSP300H120/3
Trasy kablowe - BAKS
3 000 mm
Trasy kablowe - BAKS
300
Trasy kablowe - BAKS
430133
Trasy kablowe - BAKS
2 / 6 szt. / m. b.
Trasy kablowe - BAKS
5,98 kg
Trasy kablowe - BAKS
34 600
Plik *.std Dodaj
DSP300H120/6
Trasy kablowe - BAKS
6 000 mm
Trasy kablowe - BAKS
300
Trasy kablowe - BAKS
430236
Trasy kablowe - BAKS
2 / 12 szt. / m. b.
Trasy kablowe - BAKS
5,98 kg
Trasy kablowe - BAKS
34 600
Plik *.std Dodaj
Trasy kablowe - BAKS
400 mm
Trasy kablowe - BAKS
46600 mm
DSP400H120/3
Trasy kablowe - BAKS
3 000 mm
Trasy kablowe - BAKS
400
Trasy kablowe - BAKS
430143
Trasy kablowe - BAKS
2 / 6 szt. / m. b.
Trasy kablowe - BAKS
6,27 kg
Trasy kablowe - BAKS
46 600
Plik *.std Dodaj
DSP400H120/6
Trasy kablowe - BAKS
6 000 mm
Trasy kablowe - BAKS
400
Trasy kablowe - BAKS
430246
Trasy kablowe - BAKS
2 / 12 szt. / m. b.
Trasy kablowe - BAKS
6,27 kg
Trasy kablowe - BAKS
46 600
Plik *.std Dodaj
Trasy kablowe - BAKS
500 mm
Trasy kablowe - BAKS
58600 mm
DSP500H120/3
Trasy kablowe - BAKS
3 000 mm
Trasy kablowe - BAKS
500
Trasy kablowe - BAKS
430153
Trasy kablowe - BAKS
2 / 6 szt. / m. b.
Trasy kablowe - BAKS
6,56 kg
Trasy kablowe - BAKS
58 600
Plik *.std Dodaj
DSP500H120/6
Trasy kablowe - BAKS
6 000 mm
Trasy kablowe - BAKS
500
Trasy kablowe - BAKS
430256
Trasy kablowe - BAKS
2 / 12 szt. / m. b.
Trasy kablowe - BAKS
6,56 kg
Trasy kablowe - BAKS
58 600
Plik *.std Dodaj
Trasy kablowe - BAKS
600 mm
Trasy kablowe - BAKS
70600 mm
DSP600H120/3
Trasy kablowe - BAKS
3 000 mm
Trasy kablowe - BAKS
600
Trasy kablowe - BAKS
430163
Trasy kablowe - BAKS
2 / 6 szt. / m. b.
Trasy kablowe - BAKS
6,85 kg
Trasy kablowe - BAKS
70 600
Plik *.std Dodaj
DSP600H120/6
Trasy kablowe - BAKS
6 000 mm
Trasy kablowe - BAKS
600
Trasy kablowe - BAKS
430266
Trasy kablowe - BAKS
2 / 12 szt. / m. b.
Trasy kablowe - BAKS
6,85 kg
Trasy kablowe - BAKS
70 600
Plik *.std Dodaj
Obciążenie
Trasy kablowe - BAKS Trasy kablowe - BAKS

Qdop. (kN/m)
0.0
L (m)
0.0
Wypełnienie
Trasy kablowe - BAKS Trasy kablowe - BAKS
Trasy kablowe - BAKS
Kabel 1
Trasy kablowe - BAKS
Trasy kablowe - BAKS
Kabel 2
Trasy kablowe - BAKS
Trasy kablowe - BAKS
Kabel 3
Trasy kablowe - BAKS
Trasy kablowe - BAKS
Kabel 4
Trasy kablowe - BAKS
Trasy kablowe - BAKS
 
 
Rezerwa wypełnienia (%)
Trasy kablowe - BAKS
Poprawka wypełnienia (%)
Trasy kablowe - BAKS