Obejmy kablowe KSA - Katalog produktów BAKS
2,0
Informacje

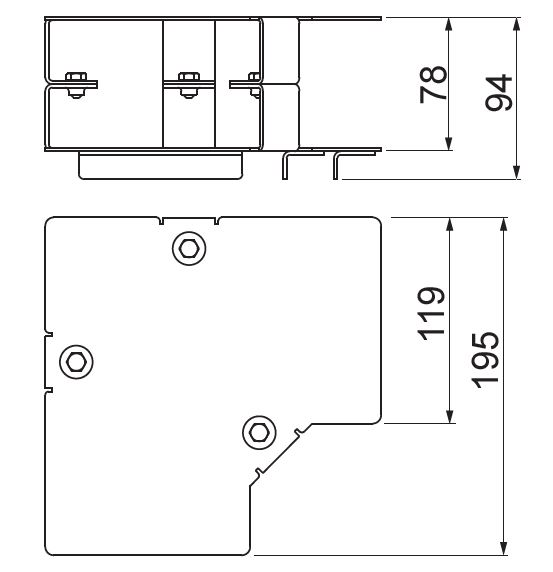
Zmiana kierunku trasy kablowej prowadzonej w rurach. Ochrona kabli.

Materiał

S- stal cynkowana metodą Sendzimira PN-EN 10346:2015-09
Na zamówienie:
F - stal cynkowana metodą zanurzeniową PN-EN ISO 1461:2023-02
E- stal kwasoodporna,
L- lakierowanie w standardowym kolorze RAL,

Dodatkowe informacje

- zakres średnic rur Ø40 - Ø63,5
- kątowniki wzmacniające połączenie rur w komplecie
- estetyka wykonania instalacji

Wersje
Trasy kablowe - BAKS Trasy kablowe - BAKS
Symbol Numer katalogowy Waga 1 szt. (kg) Ilość (szt.)
KRU63
Trasy kablowe - BAKS
812263
Trasy kablowe - BAKS
1,07
Trasy kablowe - BAKS
1
Dodaj