KSP...H100N Korytko - Katalog produktów BAKS
1,5
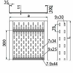
Informacje

Prowadzenie trasy kablowej w halach lub miejscach o ograniczonej ilości konstrukcji wsporczych. Duża wytrzymałość koryt pozwala na stosowanie podpór nawet co 8 m.

Materiał

S - stal cynkowana met. Sendzimira PN-EN 10346:2015-09
Na zamówienie:
F - stal cynkowana metodą zanurzeniową PN-EN ISO 1461:2023-02
E - stal nierdzewna
L - lakierowanie w standardowej palecie RAL

Dodatkowe informacje

– korytka przystosowane do montowania uchwytów kablowych UKZ1/UKZO1, UKZ2, UKZP1 i UKZP2
– opcja E - tylko dla odcinków do 3m - wykonanie z rzadszą perforacją w dnie burty (istnieje możliwość dostarczenia do klienta połączonych łącznikami dwóch odcinków 3 m dających długość 6 m)

- wykonanie z rzadszą perforacją w dnie burty (istnieje możliwość
dostarczenia do klienta połączonych łącznikami dwóch odcinków 3 m dających długość 6 m)

– przy dużych zamówieniach możliwość wykonania:
– korytek o długościach od 2 do 12 mb.
– korytek z blachy o grubościach 1,2; 2,5 mm

 

Uwaga
Łączenie koryt tylko przy użyciu łączników.
Wersje
Trasy kablowe - BAKS Trasy kablowe - BAKS
Symbol Numer katalogowy Wymiar a (mm) Wymiar L (mm) Ciężar 1mb (kg) Ilość w opakowaniu (szt. / m. b.) Przekrój użyteczny (mm2) Plik 3D
Trasy kablowe - BAKS
200 mm
Trasy kablowe - BAKS
16400 mm
KSP200H100/3N
Trasy kablowe - BAKS
220020
Trasy kablowe - BAKS
200
Trasy kablowe - BAKS
3 000 mm
Trasy kablowe - BAKS
5,81 kg
Trasy kablowe - BAKS
2 / 6 szt. / m. b.
Trasy kablowe - BAKS
16 400
Plik *.std Dodaj
KSP200H100/6N
Trasy kablowe - BAKS
220021
Trasy kablowe - BAKS
200
Trasy kablowe - BAKS
6 000 mm
Trasy kablowe - BAKS
5,81 kg
Trasy kablowe - BAKS
2 / 12 szt. / m. b.
Trasy kablowe - BAKS
16 400
Plik *.std Dodaj
Trasy kablowe - BAKS
300 mm
Trasy kablowe - BAKS
24600 mm
KSP300H100/3N
Trasy kablowe - BAKS
220030
Trasy kablowe - BAKS
300
Trasy kablowe - BAKS
3 000 mm
Trasy kablowe - BAKS
6,71 kg
Trasy kablowe - BAKS
2 / 6 szt. / m. b.
Trasy kablowe - BAKS
24 600
Plik *.std Dodaj
KSP300H100/6N
Trasy kablowe - BAKS
220031
Trasy kablowe - BAKS
300
Trasy kablowe - BAKS
6 000 mm
Trasy kablowe - BAKS
6,71 kg
Trasy kablowe - BAKS
2 / 12 szt. / m. b.
Trasy kablowe - BAKS
24 600
Plik *.std Dodaj
Trasy kablowe - BAKS
400 mm
Trasy kablowe - BAKS
32800 mm
KSP400H100/3N
Trasy kablowe - BAKS
220040
Trasy kablowe - BAKS
400
Trasy kablowe - BAKS
3 000 mm
Trasy kablowe - BAKS
7,61 kg
Trasy kablowe - BAKS
2 / 6 szt. / m. b.
Trasy kablowe - BAKS
32 800
Plik *.std Dodaj
KSP400H100/6N
Trasy kablowe - BAKS
220041
Trasy kablowe - BAKS
400
Trasy kablowe - BAKS
6 000 mm
Trasy kablowe - BAKS
7,61 kg
Trasy kablowe - BAKS
2 / 12 szt. / m. b.
Trasy kablowe - BAKS
32 800
Plik *.std Dodaj
Trasy kablowe - BAKS
500 mm
Trasy kablowe - BAKS
41000 mm
KSP500H100/3N
Trasy kablowe - BAKS
220050
Trasy kablowe - BAKS
500
Trasy kablowe - BAKS
3 000 mm
Trasy kablowe - BAKS
8,51 kg
Trasy kablowe - BAKS
2 / 6 szt. / m. b.
Trasy kablowe - BAKS
41 000
Plik *.std Dodaj
KSP500H100/6N
Trasy kablowe - BAKS
220051
Trasy kablowe - BAKS
500
Trasy kablowe - BAKS
6 000 mm
Trasy kablowe - BAKS
8,51 kg
Trasy kablowe - BAKS
2 / 12 szt. / m. b.
Trasy kablowe - BAKS
41 000
Plik *.std Dodaj
Trasy kablowe - BAKS
600 mm
Trasy kablowe - BAKS
49200 mm
KSP600H100/3N
Trasy kablowe - BAKS
220060
Trasy kablowe - BAKS
600
Trasy kablowe - BAKS
3 000 mm
Trasy kablowe - BAKS
9,41 kg
Trasy kablowe - BAKS
2 / 6 szt. / m. b.
Trasy kablowe - BAKS
49 200
Plik *.std Dodaj
KSP600H100/6N
Trasy kablowe - BAKS
220061
Trasy kablowe - BAKS
600
Trasy kablowe - BAKS
6 000 mm
Trasy kablowe - BAKS
9,41 kg
Trasy kablowe - BAKS
2 / 12 szt. / m. b.
Trasy kablowe - BAKS
49 200
Plik *.std Dodaj
Obciążenie
Trasy kablowe - BAKS Trasy kablowe - BAKS

Qdop. (kN/m)
0.0
L (m)
0.0
Wypełnienie
Trasy kablowe - BAKS Trasy kablowe - BAKS
Trasy kablowe - BAKS
Kabel 1
Trasy kablowe - BAKS
Trasy kablowe - BAKS
Kabel 2
Trasy kablowe - BAKS
Trasy kablowe - BAKS
Kabel 3
Trasy kablowe - BAKS
Trasy kablowe - BAKS
Kabel 4
Trasy kablowe - BAKS
Trasy kablowe - BAKS
 
 
Rezerwa wypełnienia (%)
Trasy kablowe - BAKS
Poprawka wypełnienia (%)
Trasy kablowe - BAKS