KSP...H150 Korytko - Katalog produktów BAKS
1,5
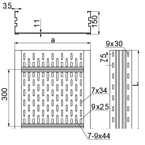
Informacje

Prowadzenie trasy kablowej w halach lub miejscach o ograniczonej ilości konstrukcji wsporczych. Duża wytrzymałość koryt pozwala na stosowanie podpór nawet co 6 m.

Materiał

S - stal cynkowana met. Sendzimira PN-EN 10346:2015-09

Na zamówienie:

F - stal cynkowana metodą zanurzeniową PN-EN ISO 1461:2023-02

E - stal nierdzewna

L - lakierowanie w standardowej palecie RAL

Dodatkowe informacje

– korytka przystosowane do montowania uchwytów kablowych UKZ1/UKZO1, UKZ2, UKZP1 i UKZP2

– opcja E - tylko dla odcinków do 3 m - wykonanie bez przetłoczeń w bokach i z rzadszą perforacją w dnie burty (istnieje możliwość dostarczenia do klienta połączonych łącznikami dwóch odcinków 3 m dających długość 6 m)

– przy dużych zamówieniach możliwość wykonania korytek o długościach od 2 do 12 m i korytek z blachy o grubościach 1,2 lub 2,5 mm

– produkt dostępny na zamówienie powyżej 200 m

Uwaga
Łączenie koryt tylko przy użyciu łączników.
Wersje
Trasy kablowe - BAKS Trasy kablowe - BAKS
Symbol Wymiar L (mm) Wymiar a (mm) Numer katalogowy Ciężar 1mb (kg) Przekrój użyteczny (mm2) Ilość w opakowaniu (szt. / m. b.) Plik 3D
Trasy kablowe - BAKS
200 mm
Trasy kablowe - BAKS
27800 mm
KSP200H150/6
Trasy kablowe - BAKS
6 000 mm
Trasy kablowe - BAKS
200
Trasy kablowe - BAKS
270021
Trasy kablowe - BAKS
8,18 kg
Trasy kablowe - BAKS
27 800
Trasy kablowe - BAKS
1 / 6 szt. / m. b.
Plik *.std Dodaj
Trasy kablowe - BAKS
300 mm
Trasy kablowe - BAKS
37600 mm
KSP300H150/6
Trasy kablowe - BAKS
6 000 mm
Trasy kablowe - BAKS
300
Trasy kablowe - BAKS
270031
Trasy kablowe - BAKS
9,14 kg
Trasy kablowe - BAKS
37 600
Trasy kablowe - BAKS
1 / 6 szt. / m. b.
Plik *.std Dodaj
Trasy kablowe - BAKS
400 mm
Trasy kablowe - BAKS
50700 mm
KSP400H150/6
Trasy kablowe - BAKS
6 000 mm
Trasy kablowe - BAKS
400
Trasy kablowe - BAKS
270041
Trasy kablowe - BAKS
10,10 kg
Trasy kablowe - BAKS
50 700
Trasy kablowe - BAKS
1 / 6 szt. / m. b.
Plik *.std Dodaj
Trasy kablowe - BAKS
500 mm
Trasy kablowe - BAKS
63900 mm
KSP500H150/6
Trasy kablowe - BAKS
6 000 mm
Trasy kablowe - BAKS
500
Trasy kablowe - BAKS
270051
Trasy kablowe - BAKS
11,06 kg
Trasy kablowe - BAKS
63 900
Trasy kablowe - BAKS
1 / 6 szt. / m. b.
Plik *.std Dodaj
Trasy kablowe - BAKS
600 mm
Trasy kablowe - BAKS
87800 mm
KSP600H150/6
Trasy kablowe - BAKS
6 000 mm
Trasy kablowe - BAKS
600
Trasy kablowe - BAKS
270061
Trasy kablowe - BAKS
12,02 kg
Trasy kablowe - BAKS
87 800
Trasy kablowe - BAKS
1 / 6 szt. / m. b.
Plik *.std Dodaj
Obciążenie
Trasy kablowe - BAKS Trasy kablowe - BAKS

Qdop. (kN/m)
0.0
L (m)
0.0
Wypełnienie
Trasy kablowe - BAKS Trasy kablowe - BAKS
Trasy kablowe - BAKS
Kabel 1
Trasy kablowe - BAKS
Trasy kablowe - BAKS
Kabel 2
Trasy kablowe - BAKS
Trasy kablowe - BAKS
Kabel 3
Trasy kablowe - BAKS
Trasy kablowe - BAKS
Kabel 4
Trasy kablowe - BAKS
Trasy kablowe - BAKS
 
 
Rezerwa wypełnienia (%)
Trasy kablowe - BAKS
Poprawka wypełnienia (%)
Trasy kablowe - BAKS