KSP...H160 Korytko - Katalog produktów BAKS
1,5 Trasy kablowe - BAKS Trasy kablowe - BAKS
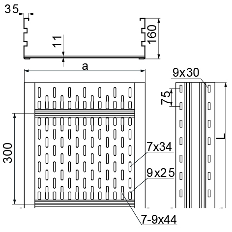
Informacje

Prowadzenie trasy kablowej w halach lub miejscach o ograniczonej ilości konstrukcji wsporczych. Duża wytrzymałość koryt pozwala na stosowanie podpór nawet co 8 m.

Materiał

S - stal cynkowana met. Sendzimira PN-EN 10346:2015-09
Na zamówienie:
F - stal cynkowana metodą zanurzeniową PN-EN ISO 1461:2011
E - stal nierdzewna
L - lakierowanie w standardowej palecie RAL

Dodatkowe informacje

– korytka przystosowane do montowania uchwytów kablowych UKZ1/UKZO1, UKZ2, UKZP1 i UKZP2
– opcja E - tylko dla odcinków do 3 m - wykonanie bez przetłoczeń w bokach i z rzadszą perforacją w dnie burty (istnieje możliwość dostarczenia do klienta połączonych łącznikami dwóch odcinków 3 m dających długość 6 m)

– przy dużych zamówieniach możliwość wykonania korytek o długościach od 2 do 12 m i korytek z blachy o grubościach 1,2 lub 2,5 mm

- produkt dostępny na zamówienie powyżej 200 m

Uwaga
Łączenie koryt tylko przy użyciu łączników.
Wersje
Trasy kablowe - BAKS Trasy kablowe - BAKS
Symbol Wymiar L (mm) Wymiar a (mm) Numer katalogowy Ilość w opakowaniu (szt. / m. b.) Ciężar 1mb (kg) Przekrój użyteczny (mm2) Plik 3D
Trasy kablowe - BAKS
200 mm
Trasy kablowe - BAKS
29800 mm
KSP200H160/6
Trasy kablowe - BAKS
6 000 mm
Trasy kablowe - BAKS
200
Trasy kablowe - BAKS
272016
Trasy kablowe - BAKS
1 / 6 szt. / m. b.
Trasy kablowe - BAKS
8,42 kg
Trasy kablowe - BAKS
29 800
Plik *.std Dodaj
Trasy kablowe - BAKS
300 mm
Trasy kablowe - BAKS
40600 mm
KSP300H160/6
Trasy kablowe - BAKS
6 000 mm
Trasy kablowe - BAKS
300
Trasy kablowe - BAKS
273016
Trasy kablowe - BAKS
1 / 6 szt. / m. b.
Trasy kablowe - BAKS
9,38 kg
Trasy kablowe - BAKS
40 600
Plik *.std Dodaj
Trasy kablowe - BAKS
400 mm
Trasy kablowe - BAKS
54700 mm
KSP400H160/6
Trasy kablowe - BAKS
6 000 mm
Trasy kablowe - BAKS
400
Trasy kablowe - BAKS
274016
Trasy kablowe - BAKS
1 / 6 szt. / m. b.
Trasy kablowe - BAKS
10,34 kg
Trasy kablowe - BAKS
54 700
Plik *.std Dodaj
Trasy kablowe - BAKS
500 mm
Trasy kablowe - BAKS
68900 mm
KSP500H160/6
Trasy kablowe - BAKS
6 000 mm
Trasy kablowe - BAKS
500
Trasy kablowe - BAKS
275016
Trasy kablowe - BAKS
1 / 6 szt. / m. b.
Trasy kablowe - BAKS
11,30 kg
Trasy kablowe - BAKS
68 900
Plik *.std Dodaj
Trasy kablowe - BAKS
600 mm
Trasy kablowe - BAKS
93800 mm
KSP600H160/6
Trasy kablowe - BAKS
6 000 mm
Trasy kablowe - BAKS
600
Trasy kablowe - BAKS
276016
Trasy kablowe - BAKS
1 / 6 szt. / m. b.
Trasy kablowe - BAKS
12,26 kg
Trasy kablowe - BAKS
93 800
Plik *.std Dodaj
Obciążenie
Trasy kablowe - BAKS Trasy kablowe - BAKS

Qdop. (kN/m)
0.0
L (m)
0.0
Wypełnienie
Trasy kablowe - BAKS Trasy kablowe - BAKS
Trasy kablowe - BAKS
Kabel 1
Trasy kablowe - BAKS
Trasy kablowe - BAKS
Kabel 2
Trasy kablowe - BAKS
Trasy kablowe - BAKS
Kabel 3
Trasy kablowe - BAKS
Trasy kablowe - BAKS
Kabel 4
Trasy kablowe - BAKS
Trasy kablowe - BAKS
 
 
Rezerwa wypełnienia (%)
Trasy kablowe - BAKS
Poprawka wypełnienia (%)
Trasy kablowe - BAKS
Przykłady
Trasy kablowe - BAKS Trasy kablowe - BAKS