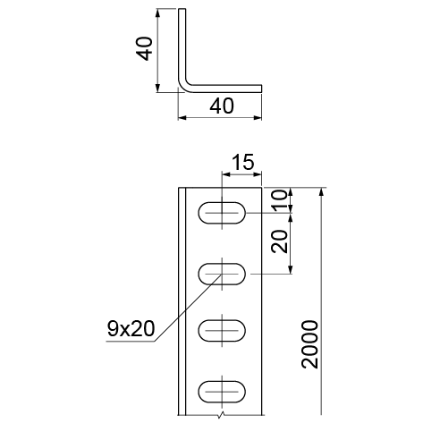
KTOPE40H40/2 Kątownik - Katalog produktów BAKS
4,0 Trasy kablowe - BAKS
Informacje

Podwieszanie elementów instalacji.

Materiał

F - stal cynkowana metodą zanurzeniową PN-EN ISO 1461:2023-02
Na zamówienie:
E - stal nierdzewna

Wersje
Trasy kablowe - BAKS Trasy kablowe - BAKS
Symbol Numer katalogowy Waga 1 szt. (kg) Ilość (szt.)
KTOPE40H40/2
Trasy kablowe - BAKS
444421
Trasy kablowe - BAKS
5,12
Trasy kablowe - BAKS
2
Dodaj