Połączenie stężeń z ceowników CMP... z pionowymi słupami podporowymi konstrukcji wolnostojących
dwupodporowych CT70H50...NMC, CBT70H50...MC lub CWT70H50...NMC, CWBT70H50...MC.
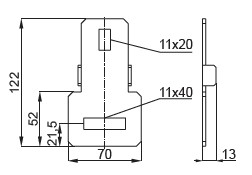
Połączenie stężeń z ceowników CMP... z pionowymi słupami podporowymi konstrukcji wolnostojących dwupodporowych CT70H50...NMC, CBT70H50...MC lub CWT70H50...NMC, CWBT70H50...MC.
Materiał
MC - stal w powłoce Magnelis®
Dodatkowe informacje
– podłużna perforacja umożliwiająca montaż elementu do słupów podporowych w odpowiednim położeniu
– zmodyfikowane zagięcia zapewniają wysoką wytrzymałość i stabilny montaż
– do montażu należy użyć 2 kpl. SGKFM10x20PV
