LKKSU...H120 Łącznik kątowy krótki - Katalog produktów BAKS

LKKSU...H120 Łącznik kątowy krótki

Trasy kablowe - BAKS
Informacje

Łączenie dociętych korytek i drabinek samonośnych prowadzonych pod różnym kątem.

Materiał

 

S - stal cynkowana met. Sendzimira PN-EN 10346:2015-09
Na zamówienie:
F - stal cynkowana metodą zanurzeniową PN-EN ISO 1461:2023-02
E - stal nierdzewna
L - lakierowanie w standardowej palecie RAL

S - stal cynkowana met. Sendzimira PN-EN 10346:2015-09

Na zamówienie:

F - stal cynkowana metodą zanurzeniową PN-EN ISO 1461:2023-02

E - stal nierdzewna

L - lakierowanie w standardowej palecie RAL

 

Dodatkowe informacje

 

– łączenie drabin bez docinania przy użyciu dwóch łączników
kątowych krótkiego LKKSU... i długiego LKSU... o długości 800 mm
- duży zakres regulacji kąta (obniżenie ceny połączenia)
– łączenie drabin bez docinania przy użyciu dwóch łączników
kątowych krótkich LKKSU... - mały zakres regulacji kąta
(obniżenie ceny połączenia)
– łączenie drabin z docinaniem boku drabiny wewnętrznej przy
użyciu dwóch łączników kątowych krótkich LKKSU... - duży
zakres regulacji kąta (obniżenie ceny połączenia)
– do montażu proponujemy 4 kpl. śrub SGKM8x16 lub SGM8x16

– łączenie drabin bez docinania przy użyciu dwóch łączników kątowych krótkiego LKKSU... i długiego LKSU... o długości 800 mm

- duży zakres regulacji kąta (obniżenie ceny połączenia)

– łączenie drabin bez docinania przy użyciu dwóch łączników kątowych krótkich LKKSU... - mały zakres regulacji kąta (obniżenie ceny połączenia)

– łączenie drabin z docinaniem boku drabiny wewnętrznej przy użyciu dwóch łączników kątowych krótkich LKKSU... - duży zakres regulacji kąta (obniżenie ceny połączenia)

– do montażu proponujemy 4 kpl. śrub SGKM8x16 lub SGM8x16

 

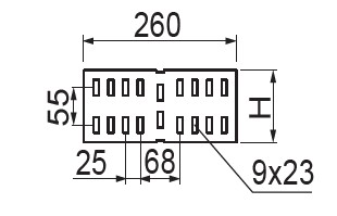
Wersje
Trasy kablowe - BAKS Trasy kablowe - BAKS
Symbol Numer katalogowy Wymiar H (mm) Waga 1 szt. (kg) Ilość (szt.)
LKKSUPH120
Trasy kablowe - BAKS
243305
Trasy kablowe - BAKS
124
Trasy kablowe - BAKS
0,52
Trasy kablowe - BAKS
10
Dodaj
LKKSUCH120
Trasy kablowe - BAKS
243306
Trasy kablowe - BAKS
125
Trasy kablowe - BAKS
0,69
Trasy kablowe - BAKS
10
Dodaj
Przykłady
Trasy kablowe - BAKS Trasy kablowe - BAKS