RDLC...H60N Redukcja lewa - Katalog produktów BAKS

RDLC...H60N Redukcja lewa

2,0 Trasy kablowe - BAKS
Informacje

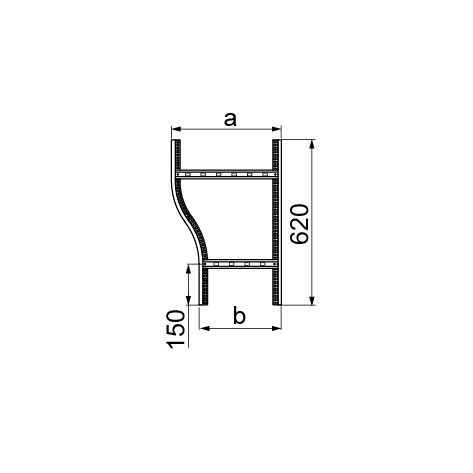
Zmiana szerokości trasy kablowej.

Materiał

S - stal cynkowana metodą Sendzimira PN-EN 10346:2015-09
Na zamówienie:
F - stal cynkowana metodą zanurzeniową PN-EN ISO 1461:2023-02
E - stal nierdzewna
L - lakierowanie w standardowej palecie RAL

Dodatkowe informacje

– do montażu należy użyć 4 łączniki LDCH... i 16 kpl. śrub SGKM8x14 lub SGM8x14
– przy nietypowych zamówieniach należy podać wymiar a i b

 

Zamawiając kształtki należy podać symbol drabiny w celu dobrania odpowiednich szczebli i przystosowanych do nich uchwytów
kablowych.
A - szczebel drabinki DK... i pasujący do niego uchwyt kablowy typu UKZ...,
B - szczebel drabinki DF... lub DU... i pasujący do niego uchwyt kablowy typu UK...
C - uniwersalny szczebel drabinki DUV... i pasujące do niego uchwyty UKZ... i UK....

Zamawiając kształtki należy podać symbol drabiny w celu dobrania odpowiednich szczebli i przystosowanych do nich uchwytów kablowych.

A - szczebel drabinki DK... i pasujący do niego uchwyt kablowy typu UKZ...,

B - szczebel drabinki DF... lub DU... i pasujący do niego uchwyt kablowy typu UK...

C - uniwersalny szczebel drabinki DUV... i pasujące do niego uchwyty UKZ... i UK....

 

Wersje
Trasy kablowe - BAKS Trasy kablowe - BAKS
Symbol Wymiar a (mm) Szerokość b (mm) Waga 1 szt. (kg) Numer katalogowy Ilość (szt.) Plik 3D
Trasy kablowe - BAKS
200 mm
Trasy kablowe - BAKS
mm
RDLC200/100H60N
Trasy kablowe - BAKS
200
Trasy kablowe - BAKS
100
Trasy kablowe - BAKS
2,08
Trasy kablowe - BAKS
468420
Trasy kablowe - BAKS
2
Plik *.std Dodaj
Trasy kablowe - BAKS
300 mm
Trasy kablowe - BAKS
mm
RDLC300/200H60N
Trasy kablowe - BAKS
300
Trasy kablowe - BAKS
200
Trasy kablowe - BAKS
2,30
Trasy kablowe - BAKS
468430
Trasy kablowe - BAKS
2
Plik *.std Dodaj
Trasy kablowe - BAKS
400 mm
Trasy kablowe - BAKS
mm
RDLC400/300H60N
Trasy kablowe - BAKS
400
Trasy kablowe - BAKS
300
Trasy kablowe - BAKS
2,55
Trasy kablowe - BAKS
468140
Trasy kablowe - BAKS
2
Plik *.std Dodaj
Trasy kablowe - BAKS
500 mm
Trasy kablowe - BAKS
mm
RDLC500/400H60N
Trasy kablowe - BAKS
500
Trasy kablowe - BAKS
400
Trasy kablowe - BAKS
2,78
Trasy kablowe - BAKS
468150
Trasy kablowe - BAKS
2
Plik *.std Dodaj
Trasy kablowe - BAKS
600 mm
Trasy kablowe - BAKS
mm
RDLC600/500H60N
Trasy kablowe - BAKS
600
Trasy kablowe - BAKS
500
Trasy kablowe - BAKS
3,01
Trasy kablowe - BAKS
468160
Trasy kablowe - BAKS
2
Plik *.std Dodaj
Przykłady
Trasy kablowe - BAKS Trasy kablowe - BAKS