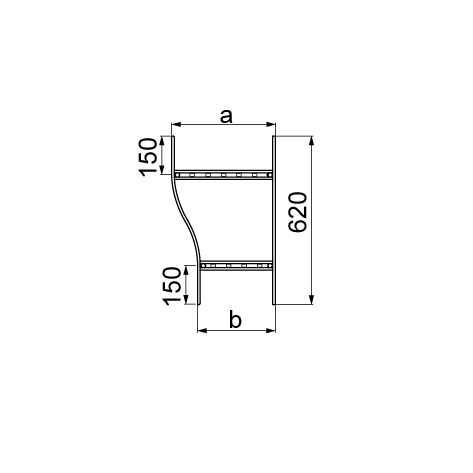
Zmiana szerokości trasy kablowej.
      Materiał    
    S - stal cynkowana metodą Sendzimira PN-EN 10346:2015-09
Na zamówienie:
F - stal cynkowana metodą zanurzeniową PN-EN ISO 1461:2023-02
E - stal nierdzewna
L - lakierowanie w standardowej palecie RAL
      Dodatkowe informacje    
    – przy nietypowych zamówieniach należy podać wymiar a i b
– do połączenia kształtki z drabinką należy zastosować łączniki kształtek LSSU... i śruby SGKM8x16
