ПРИМЕНЕНИЕ
Выполнение кабельной трассы.
 МАТЕРИАЛ
 Cталь, оцинкованная методом Сендимира PN-EN 10346:2011.
Под заказ:
F- сталь, оцинкованная методом
погружения PN-EN ISO 1461:2011
E- кислотостойкая сталь
L- порошковая покраска любым цветом
Примечание.
Возможность сборки лотков посредством
вставки одного лотка в другой, монтаж
осуществляется без соединителей.
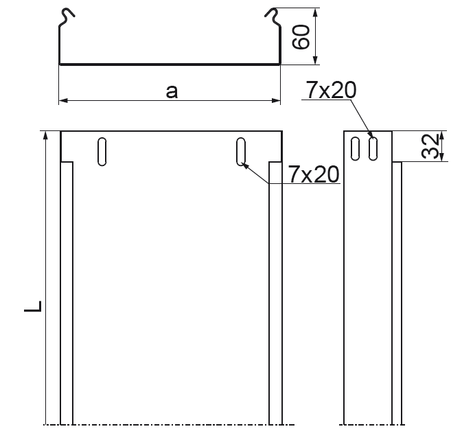
При монтаже следует использовать комплекты
болтов SGK M6x10 или SG M6x10
 Внимание 
Система без соединителей. Возможность соединения лотков всовывая их один в другой и скручивая. Применение соединителей рекомендуется только при больших нагрузках.
    
    
    Система без соединителей. Возможность соединения лотков всовывая их один в другой и скручивая. Применение соединителей рекомендуется только при больших нагрузках.
