KDS/KDSO...H60 Сетчатый лоток - русская версия - Katalog produktów BAKS

KDS/KDSO...H60 Сетчатый лоток

Кабельные трассы - BAKS
Информация

Выполнение кабельной трассы.

МАТЕРИАЛ

Гальванически оцинкованная проволока
Под заказ:
L - покрваска в стандартный цвет RAL

Dodatkowe informacje

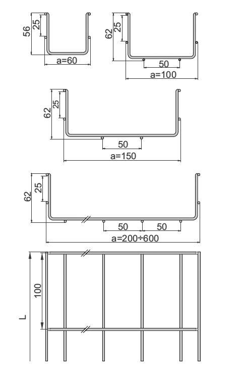
Макс. нагрузка
KDS/KDSO60H60/3: 2 кг/м
KDS/KDSO100 - 600H60/3: 20 кг/м
Максимальная опора: 1,5 м.

Версии
Кабельные трассы - BAKS Кабельные трассы - BAKS
Символ Каталожный номер ширинаaмм длинаLm Количество в упаковке (шт. / m.) Вес 1 пог.м (kg) Średnica drutu (mm) ФАЙЛ 3D
Кабельные трассы - BAKS
60 mm
Кабельные трассы - BAKS
mm
KDS/KDSO60H60/3
Кабельные трассы - BAKS
970106
Кабельные трассы - BAKS
60
Кабельные трассы - BAKS
3 000 mm
Кабельные трассы - BAKS
8 / 24 szt. / m. b.
Кабельные трассы - BAKS
0,51 kg
Кабельные трассы - BAKS
3,80
Plik *.std добавлять
Кабельные трассы - BAKS
100 mm
Кабельные трассы - BAKS
mm
KDS/KDSO100H60/3
Кабельные трассы - BAKS
970110
Кабельные трассы - BAKS
100
Кабельные трассы - BAKS
3 000 mm
Кабельные трассы - BAKS
8 / 24 szt. / m. b.
Кабельные трассы - BAKS
0,73 kg
Кабельные трассы - BAKS
3,80
Plik *.std добавлять
Кабельные трассы - BAKS
150 mm
Кабельные трассы - BAKS
mm
KDS/KDSO150H60/3
Кабельные трассы - BAKS
970115
Кабельные трассы - BAKS
150
Кабельные трассы - BAKS
3 000 mm
Кабельные трассы - BAKS
8 / 24 szt. / m. b.
Кабельные трассы - BAKS
0,78 kg
Кабельные трассы - BAKS
3,80
Plik *.std добавлять
Кабельные трассы - BAKS
200 mm
Кабельные трассы - BAKS
mm
KDS/KDSO200H60/3
Кабельные трассы - BAKS
970120
Кабельные трассы - BAKS
200
Кабельные трассы - BAKS
3 000 mm
Кабельные трассы - BAKS
4 / 12 szt. / m. b.
Кабельные трассы - BAKS
1 kg
Кабельные трассы - BAKS
3,80
Plik *.std добавлять
Кабельные трассы - BAKS
300 mm
Кабельные трассы - BAKS
mm
KDS/KDSO300H60/3
Кабельные трассы - BAKS
970130
Кабельные трассы - BAKS
300
Кабельные трассы - BAKS
3 000 mm
Кабельные трассы - BAKS
4 / 12 szt. / m. b.
Кабельные трассы - BAKS
1,76 kg
Кабельные трассы - BAKS
4,50
Plik *.std добавлять
Кабельные трассы - BAKS
400 mm
Кабельные трассы - BAKS
mm
KDS/KDSO400H60/3
Кабельные трассы - BAKS
970140
Кабельные трассы - BAKS
400
Кабельные трассы - BAKS
3 000 mm
Кабельные трассы - BAKS
2 / 6 szt. / m. b.
Кабельные трассы - BAKS
2,14 kg
Кабельные трассы - BAKS
4,50
Plik *.std добавлять
Кабельные трассы - BAKS
500 mm
Кабельные трассы - BAKS
mm
KDS/KDSO500H60/3
Кабельные трассы - BAKS
970150
Кабельные трассы - BAKS
500
Кабельные трассы - BAKS
3 000 mm
Кабельные трассы - BAKS
2 / 6 szt. / m. b.
Кабельные трассы - BAKS
3,09 kg
Кабельные трассы - BAKS
5
Plik *.std добавлять
Кабельные трассы - BAKS
600 mm
Кабельные трассы - BAKS
mm
KDS/KDSO600H60/3
Кабельные трассы - BAKS
970160
Кабельные трассы - BAKS
600
Кабельные трассы - BAKS
3 000 mm
Кабельные трассы - BAKS
2 / 6 szt. / m. b.
Кабельные трассы - BAKS
3,56 kg
Кабельные трассы - BAKS
5
Plik *.std добавлять