KRLBJ...H110 Левый редукционный угол - русская версия - Katalog produktów BAKS

KRLBJ...H110 Левый редукционный угол

1,0
Информация

ПРИМЕНЕНИЕ

Разветвление кабельной трассы. Переход

от горизонтального уровня в вертикальный


МАТЕРИАЛ
Cталь, оцинкованная методом Сендимира

PN-EN 10346:2011.

Под заказ:

F- сталь, оцинкованная методом

погружения PN-EN ISO 1461:2011

E- кислотостойкая сталь

L- порошковая покраска любым цветом

 

При монтаже следует использовать болты SGK M6×12 или SG M6×12

 

Быстрый и удобный монтаж

систем с использованием

демонтированных элементов

 

Новое решение обеспечивает

безопасную и быструю

прокладку кабелей без

необходимости

их протягивания.

Внимание
Комплексные соединители. Монтаж не требует применения дополнительных соединителей.
Версии
Кабельные трассы - BAKS Кабельные трассы - BAKS
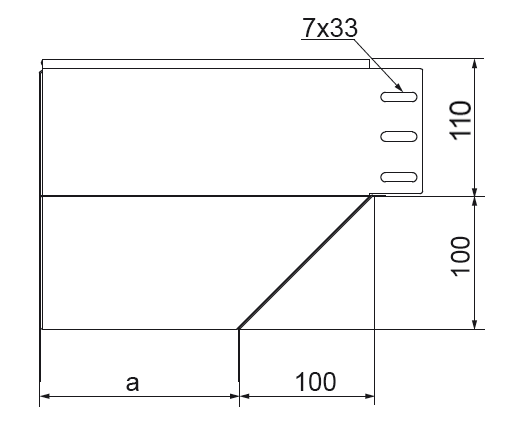
Символ 1 шт. (kg) Каталожный номер кол-во штук в 1 комплекте размер a мм
KRLBJ100H110
Кабельные трассы - BAKS
1,12
Кабельные трассы - BAKS
128110
Кабельные трассы - BAKS
1
Кабельные трассы - BAKS
100
добавлять
KRLBJ150H110
Кабельные трассы - BAKS
1,69
Кабельные трассы - BAKS
128115
Кабельные трассы - BAKS
1
Кабельные трассы - BAKS
150
добавлять
KRLBJ200H110
Кабельные трассы - BAKS
2,24
Кабельные трассы - BAKS
128120
Кабельные трассы - BAKS
1
Кабельные трассы - BAKS
200
добавлять
KRLBJ300H110
Кабельные трассы - BAKS
3,67
Кабельные трассы - BAKS
128130
Кабельные трассы - BAKS
1
Кабельные трассы - BAKS
300
добавлять