Obejmy kablowe KSA - русская версия - Katalog produktów BAKS
2,0
Информация

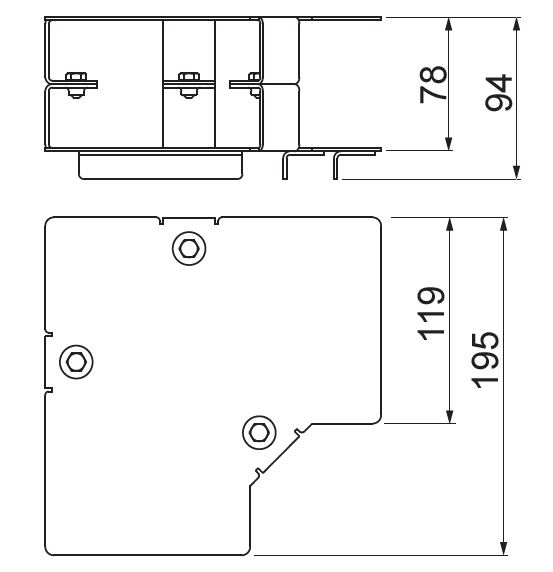
Zmiana kierunku trasy kablowej prowadzonej w rurach. Ochrona kabli.

МАТЕРИАЛ

S- stal cynkowana metodą Sendzimira PN-EN 10346:2015-09
Na zamówienie:
F - stal cynkowana metodą zanurzeniową PN-EN ISO 1461:2023-02
E- stal kwasoodporna,
L- lakierowanie w standardowym kolorze RAL,

Dodatkowe informacje

- zakres średnic rur Ø40 - Ø63,5
- kątowniki wzmacniające połączenie rur w komplecie
- estetyka wykonania instalacji

Версии
Кабельные трассы - BAKS Кабельные трассы - BAKS
Символ Каталожный номер 1 шт. (kg) кол-во штук в 1 комплекте
KRU63
Кабельные трассы - BAKS
812263
Кабельные трассы - BAKS
1,07
Кабельные трассы - BAKS
1
добавлять