KSP...H100N Лоток - русская версия - Katalog produktów BAKS
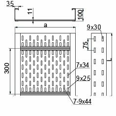
1,5
Информация

ПРИМЕНЕНИЕ

Прокладка кабельной трассы в производственных цехах или

в местах с ограниченным

количеством опорных конструкций. Высокая прочность

лотков позволяет располагать опоры даже через каждые 8 м.


МАТЕРИАЛ
сталь, оцинкованная методом

Сендимира PN-EN 10346:2011.

Под заказ:

F- сталь, оцинкованная методом

погружения PN-EN ISO 1461:2011

E- кислотостойкая сталь

L- порошковая покраска любым цветом

 

ПРИМЕЧАНИЕ.

При больших заказах могут выполняться:

- лотки длиной от 2 до 12 м.п.,

- лотки из листа толщиной 1,2÷2,5 мм.

 

 

Лотки предназначены для монтажа

кабельных держателей UKZ1, UKZ2

Внимание
Соединение лотков только с применением соединителей.
Версии
Кабельные трассы - BAKS Кабельные трассы - BAKS
Символ Каталожный номер ширинаaмм длинаLm Вес 1 пог.м (kg) Количество в упаковке (шт. / m.) Полезное сечение (мм 2 ) ФАЙЛ 3D
Кабельные трассы - BAKS
200 mm
Кабельные трассы - BAKS
16400 mm
KSP200H100/3N
Кабельные трассы - BAKS
220020
Кабельные трассы - BAKS
200
Кабельные трассы - BAKS
3 000 mm
Кабельные трассы - BAKS
5,81 kg
Кабельные трассы - BAKS
2 / 6 szt. / m. b.
Кабельные трассы - BAKS
16 400
Plik *.std добавлять
KSP200H100/6N
Кабельные трассы - BAKS
220021
Кабельные трассы - BAKS
200
Кабельные трассы - BAKS
6 000 mm
Кабельные трассы - BAKS
5,81 kg
Кабельные трассы - BAKS
2 / 12 szt. / m. b.
Кабельные трассы - BAKS
16 400
Plik *.std добавлять
Кабельные трассы - BAKS
300 mm
Кабельные трассы - BAKS
24600 mm
KSP300H100/3N
Кабельные трассы - BAKS
220030
Кабельные трассы - BAKS
300
Кабельные трассы - BAKS
3 000 mm
Кабельные трассы - BAKS
6,71 kg
Кабельные трассы - BAKS
2 / 6 szt. / m. b.
Кабельные трассы - BAKS
24 600
Plik *.std добавлять
KSP300H100/6N
Кабельные трассы - BAKS
220031
Кабельные трассы - BAKS
300
Кабельные трассы - BAKS
6 000 mm
Кабельные трассы - BAKS
6,71 kg
Кабельные трассы - BAKS
2 / 12 szt. / m. b.
Кабельные трассы - BAKS
24 600
Plik *.std добавлять
Кабельные трассы - BAKS
400 mm
Кабельные трассы - BAKS
32800 mm
KSP400H100/3N
Кабельные трассы - BAKS
220040
Кабельные трассы - BAKS
400
Кабельные трассы - BAKS
3 000 mm
Кабельные трассы - BAKS
7,61 kg
Кабельные трассы - BAKS
2 / 6 szt. / m. b.
Кабельные трассы - BAKS
32 800
Plik *.std добавлять
KSP400H100/6N
Кабельные трассы - BAKS
220041
Кабельные трассы - BAKS
400
Кабельные трассы - BAKS
6 000 mm
Кабельные трассы - BAKS
7,61 kg
Кабельные трассы - BAKS
2 / 12 szt. / m. b.
Кабельные трассы - BAKS
32 800
Plik *.std добавлять
Кабельные трассы - BAKS
500 mm
Кабельные трассы - BAKS
41000 mm
KSP500H100/3N
Кабельные трассы - BAKS
220050
Кабельные трассы - BAKS
500
Кабельные трассы - BAKS
3 000 mm
Кабельные трассы - BAKS
8,51 kg
Кабельные трассы - BAKS
2 / 6 szt. / m. b.
Кабельные трассы - BAKS
41 000
Plik *.std добавлять
KSP500H100/6N
Кабельные трассы - BAKS
220051
Кабельные трассы - BAKS
500
Кабельные трассы - BAKS
6 000 mm
Кабельные трассы - BAKS
8,51 kg
Кабельные трассы - BAKS
2 / 12 szt. / m. b.
Кабельные трассы - BAKS
41 000
Plik *.std добавлять
Кабельные трассы - BAKS
600 mm
Кабельные трассы - BAKS
49200 mm
KSP600H100/3N
Кабельные трассы - BAKS
220060
Кабельные трассы - BAKS
600
Кабельные трассы - BAKS
3 000 mm
Кабельные трассы - BAKS
9,41 kg
Кабельные трассы - BAKS
2 / 6 szt. / m. b.
Кабельные трассы - BAKS
49 200
Plik *.std добавлять
KSP600H100/6N
Кабельные трассы - BAKS
220061
Кабельные трассы - BAKS
600
Кабельные трассы - BAKS
6 000 mm
Кабельные трассы - BAKS
9,41 kg
Кабельные трассы - BAKS
2 / 12 szt. / m. b.
Кабельные трассы - BAKS
49 200
Plik *.std добавлять
Нагрузка
Кабельные трассы - BAKS Кабельные трассы - BAKS

Qdop. (kN/m)
0.0
L (m)
0.0
Заполнение
Кабельные трассы - BAKS Кабельные трассы - BAKS
Кабельные трассы - BAKS
Кабель 1
Кабельные трассы - BAKS
Кабельные трассы - BAKS
Кабель 2
Кабельные трассы - BAKS
Кабельные трассы - BAKS
Кабель 3
Кабельные трассы - BAKS
Кабельные трассы - BAKS
Кабель 4
Кабельные трассы - BAKS
Кабельные трассы - BAKS
 
 
Предоставление заполнения (%)
Кабельные трассы - BAKS
Поправка на заполнение (%)
Кабельные трассы - BAKS