KWDS60H60 Проволочный лоток - русская версия - Katalog produktów BAKS

KWDS60H60 Проволочный лоток

Кабельные трассы - BAKS Кабельные трассы - BAKS
Информация

ПРИМЕНЕНИЕ

Выполнение кабельной трассы.

 

МАТЕРИАЛ

Проволока оцинкованная гальваническим методом
Под заказ:
F- проволока, оцинкованная методом погружения
PN-EN ISO 1461:2011
Е- кислотостойкая проволока
L- порошковая покраска любым цветом

 

Все проволочные лотки имеют
срезанные концы проволоки, предотвращающие
повреждение кабелей

Версии
Кабельные трассы - BAKS Кабельные трассы - BAKS
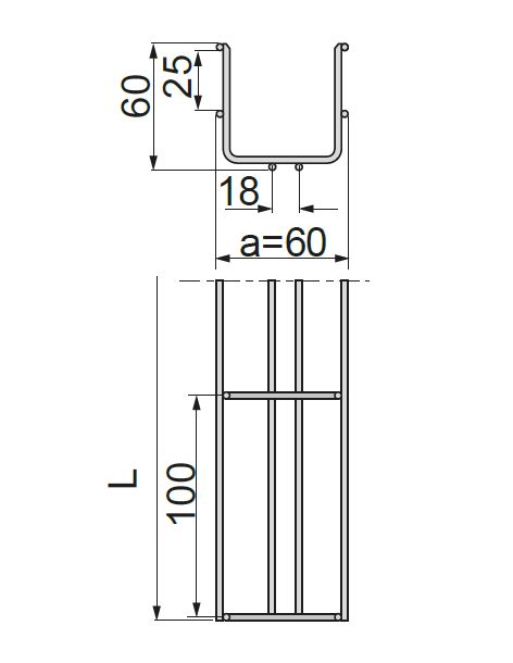
Символ Каталожный номер ширинаaмм длинаLm Полезное сечение (мм 2 ) Вес 1 пог.м (kg) Количество в упаковке (шт. / m.) ФАЙЛ 3D
Кабельные трассы - BAKS
60 mm
Кабельные трассы - BAKS
2200 mm
KWDS60H60/3
Кабельные трассы - BAKS
930106
Кабельные трассы - BAKS
60
Кабельные трассы - BAKS
3 000 mm
Кабельные трассы - BAKS
2 200
Кабельные трассы - BAKS
0,69 kg
Кабельные трассы - BAKS
8 / 24 szt. / m. b.
Plik *.std добавлять
Нагрузка
Кабельные трассы - BAKS Кабельные трассы - BAKS

Qdop. (kN/m)
0.0
L (m)
0.0
Заполнение
Кабельные трассы - BAKS Кабельные трассы - BAKS
Кабельные трассы - BAKS
Кабель 1
Кабельные трассы - BAKS
Кабельные трассы - BAKS
Кабель 2
Кабельные трассы - BAKS
Кабельные трассы - BAKS
Кабель 3
Кабельные трассы - BAKS
Кабельные трассы - BAKS
Кабель 4
Кабельные трассы - BAKS
Кабельные трассы - BAKS
 
 
Предоставление заполнения (%)
Кабельные трассы - BAKS
Поправка на заполнение (%)
Кабельные трассы - BAKS
Примеры
Кабельные трассы - BAKS Кабельные трассы - BAKS