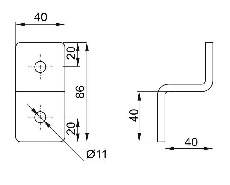
Применение
Соединение конструкций, опирающихся
на монтажные и усиленные
швеллеры шириной 40 мм
и высотой: H22 мм и H40 мм
на монтажные и усиленные
швеллеры шириной 40 мм
и высотой: H22 мм и H40 мм
Материал
Сталь, оцинкованная методом
погружения PN-EN ISO 1461:2011
погружения PN-EN ISO 1461:2011
Под заказ:
E- кислотостойкая сталь
L- порошковая покраска любым цветом
Для сборки можно использовать
2 комплекта болтов SR
2 комплекта болтов SR
