LKUSPH120 Łącznik kątowy uniwersalny - русская версия - Katalog produktów BAKS

LKUSPH120 Łącznik kątowy uniwersalny

2,0
Информация

Szybkie i łatwe przyłączenie nowej trasy kablowej w dowolnym punkcie do już istniejącej.

МАТЕРИАЛ

S - stal cynkowana met. Sendzimira PN-EN 10346:2015-09
Na zamówienie:
F - stal cynkowana metodą zanurzeniową PN-EN ISO 1461:2023-02
E - stal nierdzewna
L - lakierowanie w standardowej palecie RAL

Dodatkowe informacje

– do montażu proponujemy 8 kpl. śrub SGKM8x16 lub SGM8x16
– stabilny i szybki montaż w dowolnym miejscu korytka samonośnego lub drabinki samonośnej bez wiercenia otworów

Версии
Кабельные трассы - BAKS Кабельные трассы - BAKS
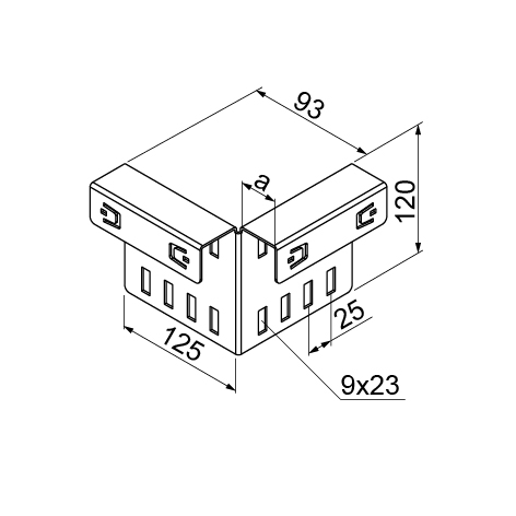
Символ Каталожный номер размер a мм 1 шт. (kg) кол-во штук в 1 комплекте
LKUSPH120
Кабельные трассы - BAKS
205033
Кабельные трассы - BAKS
36
Кабельные трассы - BAKS
0,46
Кабельные трассы - BAKS
10
добавлять