PUP Podkładka uziemiająca do ram paneli fotowoltaicznych - русская версия - Katalog produktów BAKS

PUP Podkładka uziemiająca do ram paneli fotowoltaicznych

Информация

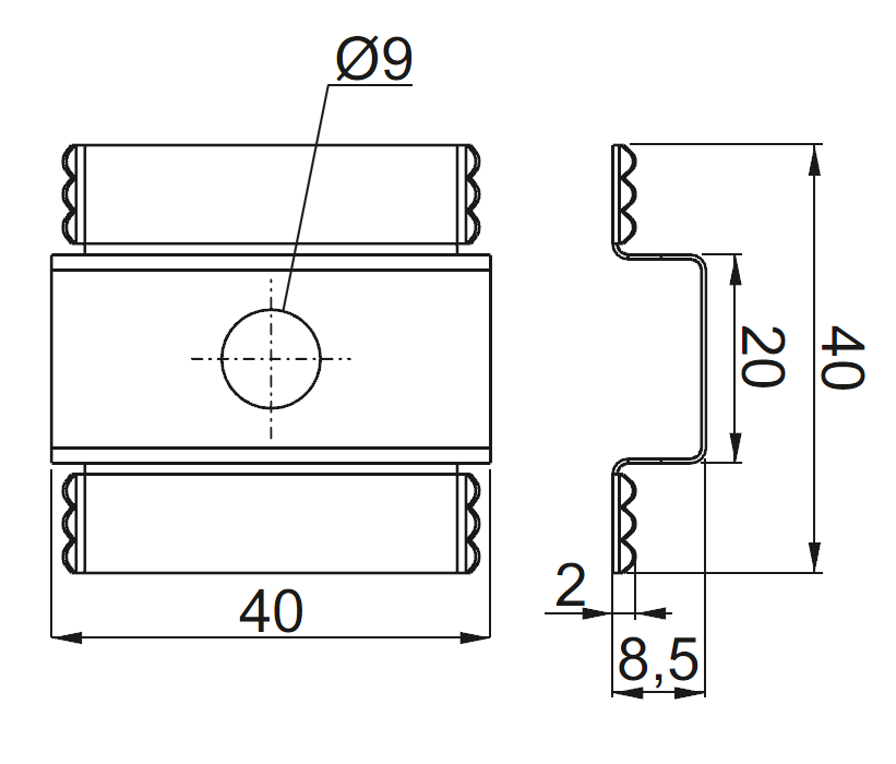
Montaż w miejscu styku ram paneli z konstrukcją nośną w celu zapewnienia ciągłości elektrycznej.

МАТЕРИАЛ

Stal nierdzewna.

Dodatkowe informacje

Zalety:
- brak konieczności stosowania połączeń uziemiających (wyrównawczych) w postaci linek
- przyspieszenie czasu montażu instalacji
- umożliwia zastosowanie zwykłych pośrednich uchwytów panelu
- poprawa bezpieczeństwa
- zapewnia ciągłość elektryczną

Версии
Кабельные трассы - BAKS Кабельные трассы - BAKS
Символ Каталожный номер 1 шт. (kg) кол-во штук в 1 комплекте
PUP
Кабельные трассы - BAKS
897303
Кабельные трассы - BAKS
0,05
Кабельные трассы - BAKS
100
добавлять
Примеры
Кабельные трассы - BAKS Кабельные трассы - BAKS