UPP...MC Pośredni uchwyt panelu do konstrukcji wolnostojących - русская версия - Katalog produktów BAKS

UPP...MC Pośredni uchwyt panelu do konstrukcji wolnostojących

Информация

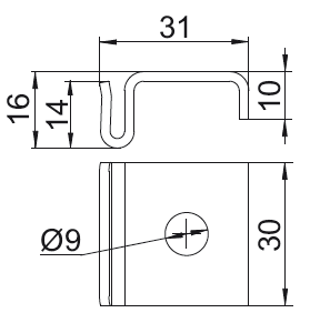
Mocowanie paneli PV do ceowników, bez konieczności wiercenia otworów w profilu, w przypadku, gdy miejsca montażu klem nie pokrywają się z fabryczną perforacją profilu

МАТЕРИАЛ

Stal S350GD w powłoce:
Magnelis®, MagiZinc®, PosMAC

Dodatkowe informacje

Zalety:
- wykonanie z materiału w powłoce Magnelis®, MagiZinc®, PosMAC o bardzo wysokiej odporności na korozję
- umożliwia montaż bez konieczności wiercenia w przypadku gdy nie ma otworów pod montaż klem
- płynna regulacja ustawienia
- montaż na krawędzi profilu do grubości 2,0 mm
- gwintowany otwór M8 w opcji UPPM8MC

Do montażu UPPMC należy użyć 1 śruby SAM8x...E i nakrętki NKZM8E


Do montażu UPPM8MC należy użyć śruby SAM8x...E

Версии
Кабельные трассы - BAKS Кабельные трассы - BAKS
Символ 1 шт. (kg) Каталожный номер кол-во штук в 1 комплекте
UPPMC
Кабельные трассы - BAKS
0,03
Кабельные трассы - BAKS
897301
Кабельные трассы - BAKS
100
добавлять
Примеры
Кабельные трассы - BAKS Кабельные трассы - BAKS