Obejmy kablowe KSA - русская версия - Katalog produktów BAKS
1,5 Кабельные трассы - BAKS
Информация

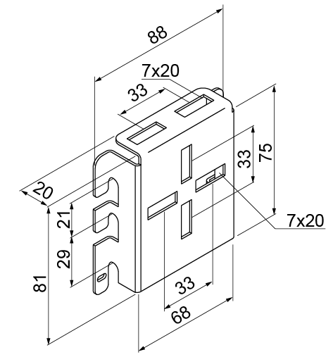
Mocowanie rur instalacyjnych o średnicach Ø16-Ø32 do korytek siatkowych z wykorzystaniem cybantów.

МАТЕРИАЛ

S - stal cynkowana met. Sendzimira PN-EN 10346:2015-09
Na zamówienie:
FP - cynkowanie metodą cynku płatkowego PN-EN ISO 10683:2018-11
L - lakierowanie w standardowej palecie RAL
E - stal nierdzewna

Dodatkowe informacje

– stosowany razem z ceownikiem CMR umożliwia montaż rur instalacyjnych pod różnym kątem

Версии
Кабельные трассы - BAKS Кабельные трассы - BAKS
Символ 1 шт. (kg) Каталожный номер кол-во штук в 1 комплекте
USR1
Кабельные трассы - BAKS
0,10
Кабельные трассы - BAKS
920710
Кабельные трассы - BAKS
1
добавлять