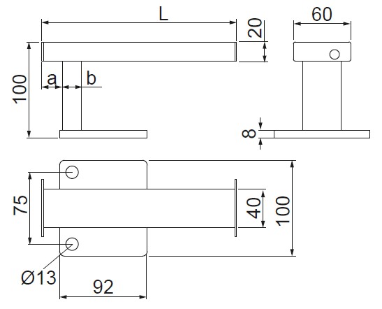
Montaż korytek zdystansowanych od podłoża.
МАТЕРИАЛ
F - stal cynkowana metodą zanurzeniową PN-EN ISO 1461:2023-02
Na zamówienie:
E - stal nierdzewna
L - lakierowanie w standardowej palecie RAL
Dodatkowe informacje
– stworzenie przestrzeni pod trasą kablową na inne instalacje
