ZK... Зажим - русская версия - Katalog produktów BAKS
Кабельные трассы - BAKS
Информация

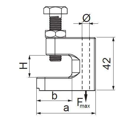
ПРИМЕНЕНИЕ

Крепление прутьев к двутаврам:
уголкам и т.д.

 

МАТЕРИАЛ
Крепление прутьев к двутаврам, уголкам и т.д.

Версии
Кабельные трассы - BAKS Кабельные трассы - BAKS
Символ Каталожный номер размерoмм размер a мм размер b мм размерHмм доп.нагрузкаFmax (кН) 1 шт. (kg) кол-во штук в 1 комплекте
ZK8/19
Кабельные трассы - BAKS
752208
Кабельные трассы - BAKS
9
Кабельные трассы - BAKS
40
Кабельные трассы - BAKS
21
Кабельные трассы - BAKS
19
Кабельные трассы - BAKS
1,20
Кабельные трассы - BAKS
0,13
Кабельные трассы - BAKS
50
добавлять
ZK8/23
Кабельные трассы - BAKS
752209
Кабельные трассы - BAKS
9
Кабельные трассы - BAKS
50
Кабельные трассы - BAKS
29
Кабельные трассы - BAKS
23
Кабельные трассы - BAKS
1,20
Кабельные трассы - BAKS
0,14
Кабельные трассы - BAKS
50
добавлять
ZK10
Кабельные трассы - BAKS
752210
Кабельные трассы - BAKS
11
Кабельные трассы - BAKS
51
Кабельные трассы - BAKS
23
Кабельные трассы - BAKS
22
Кабельные трассы - BAKS
1,20
Кабельные трассы - BAKS
0,14
Кабельные трассы - BAKS
50
добавлять
ZK12
Кабельные трассы - BAKS
752212
Кабельные трассы - BAKS
13
Кабельные трассы - BAKS
58
Кабельные трассы - BAKS
24
Кабельные трассы - BAKS
26
Кабельные трассы - BAKS
2,50
Кабельные трассы - BAKS
0,18
Кабельные трассы - BAKS
50
добавлять