Ceownik wzmocniony CWP40H22 - English version - Katalog produktów BAKS

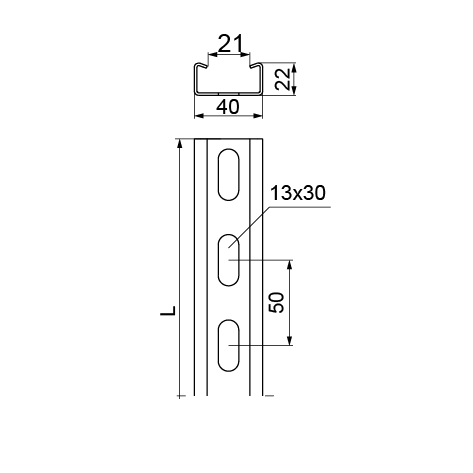
CWP40H22...MC Support Channel with Magnelis coating

1.5 Cable Management Solutions – BAKS Cable Management Solutions – BAKS
Information

For hanging lamps and as a structural element for mounting ladders and cable trays. As a support element for wall brackets: WWSR..., WW..., WWS/WWSO..., WU/WUO..., WWSN..., WS..., WZS..., WSZN... (for th. ≥ 2 mm), WTL..., WWT..., WPL..., WPT...

Material

MC - steel in Mangelis® coating

Product versions
Cable Management Solutions – BAKS Cable Management Solutions – BAKS
Symbol Length L (mm) Catalogue number Weight 1 pc. (kg) Quantity (pcs.)
CWP40H22/2MC
Cable Management Solutions – BAKS
2 000 mm
Cable Management Solutions – BAKS
6102205
Cable Management Solutions – BAKS
2.06
Cable Management Solutions – BAKS
8
Add
CWP40H22/3MC
Cable Management Solutions – BAKS
3 000 mm
Cable Management Solutions – BAKS
6102305
Cable Management Solutions – BAKS
3.09
Cable Management Solutions – BAKS
8
Add