Mocowanie paneli PV do profili aluminiowych, ceowników oraz uchwytów.
Material
Aluminium (EN AW-6005A)
Na zamówienie:
L- lakierowanie w kolorze czarnym RAL9005
Additional information
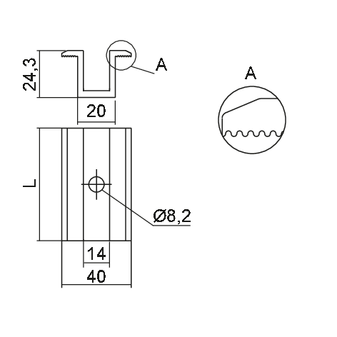
– nacięcia polepszające przyczepność
– podłużne rowki w miejscu docisku panelu oraz styku klemy z profilem zwiększają stabilność mocowania
– specjalny przekrój zwiększający wytrzymałość elementu
– wtłoczona w uchwyt podkładka ząbkowana ze stali nierdzewnej zapewnia ciągłość elektryczną połączenia
uchwyt - panel PV
– uchwyty dostępne w 3 długościach - L=50 mm, 75 mm, 100 mm
– nacięcia polepszające przyczepność
– podłużne rowki w miejscu docisku panelu oraz styku klemy z profilem zwiększają stabilność mocowania
– specjalny przekrój zwiększający wytrzymałość elementu
– wtłoczona w uchwyt podkładka ząbkowana ze stali nierdzewnej zapewnia ciągłość elektryczną połączenia uchwyt - panel PV
– uchwyty dostępne w 3 długościach - L=50 mm, 75 mm, 100 mm
