PUP Grounding Washer - English version - Katalog produktów BAKS
0.0
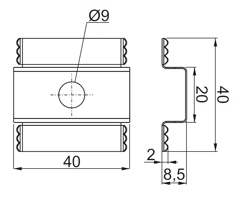
Information

Installation at the contact surface between the

panel frames and the supporting system to

ensure electrical continuity

Material

Stainless steel.

Additional information

- no need to use earth connections in form of cables

- reduction of installation time

- allows the use of standard middle panel holders

- security enhancement

- ensured electrical continuity

Product versions
Cable Management Solutions – BAKS Cable Management Solutions – BAKS
Symbol Catalogue number Weight 1 pc. (kg) Quantity (pcs.)
PUP
Cable Management Solutions – BAKS
897303
Cable Management Solutions – BAKS
0.05
Cable Management Solutions – BAKS
100
Add
Examples
Cable Management Solutions – BAKS Cable Management Solutions – BAKS