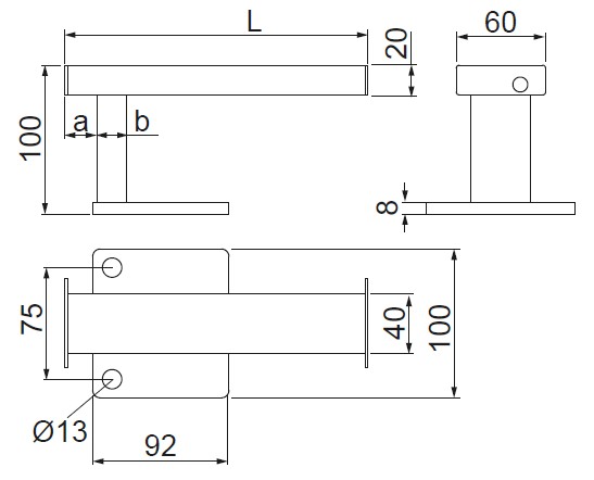
Installation of trays spaced away from the substrate
Material
F - hot dip galvanised steel PN-EN ISO 1461:2023-02
E - stainless steel
L - painting in standard RAL colour
F - hot dip galvanised steel PN-EN ISO 1461:2023-02
Available finishes:
E - stainless steel
L - painting in standard RAL colour
Additional information
– creates space beneath the cable route for other installations
