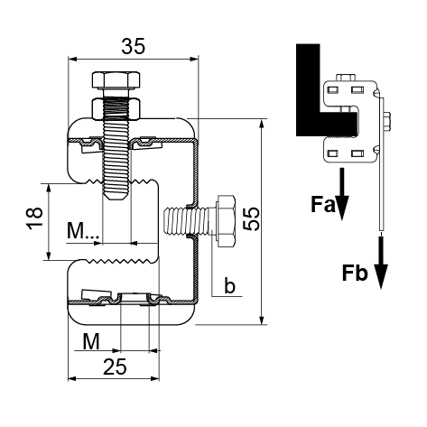
Mounting rods, clamps, etc. to: I-beams, angle profiles, etc.
      Material    
    FP - galvanised according to the zinc flake method PN-EN ISO 10683:2018-11
Available finishes:
E - stainless steel
L - painting in standard RAL colour
      Additional information    
    – bolt "b" is added separately, i.e., additional bolts in an independent package are added to the bulk package of clamps with bolted-in bolts with lock nuts
