ZK... Beam Clamp - English version - Katalog produktów BAKS
0.0 Cable Management Solutions – BAKS
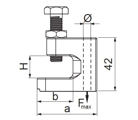
Information

Mounting rods to I-beams, angle profiles, etc.

Material

OSG - steel forging, electro-galvanised

Available finishes:

F - hot dip galvanised steel PN-EN ISO 1461:2023-02

Additional information

– push-to-install design means that during mounting, the threaded rod only needs pushing into the mounting hole for immediate mounting in the correct position

– the lock nut can be tightened with your fingers and lock the rod

– can be used in conjunction with slightly damaged threads and when there are small burrs on the threaded rod

Product versions
Cable Management Solutions – BAKS Cable Management Solutions – BAKS
Symbol Catalogue number Size o (mm) Size a (mm) Size b (mm) Size H (mm) Maximum load Fmax(kN) Weight 1 pc. (kg) Quantity (pcs.)
ZK8/19
Cable Management Solutions – BAKS
752208
Cable Management Solutions – BAKS
9
Cable Management Solutions – BAKS
40
Cable Management Solutions – BAKS
21
Cable Management Solutions – BAKS
19
Cable Management Solutions – BAKS
1.20
Cable Management Solutions – BAKS
0.13
Cable Management Solutions – BAKS
50
Add
ZK8/23
Cable Management Solutions – BAKS
752209
Cable Management Solutions – BAKS
9
Cable Management Solutions – BAKS
50
Cable Management Solutions – BAKS
29
Cable Management Solutions – BAKS
23
Cable Management Solutions – BAKS
1.20
Cable Management Solutions – BAKS
0.14
Cable Management Solutions – BAKS
50
Add
ZK10
Cable Management Solutions – BAKS
752210
Cable Management Solutions – BAKS
11
Cable Management Solutions – BAKS
51
Cable Management Solutions – BAKS
23
Cable Management Solutions – BAKS
22
Cable Management Solutions – BAKS
1.20
Cable Management Solutions – BAKS
0.14
Cable Management Solutions – BAKS
50
Add
ZK12
Cable Management Solutions – BAKS
752212
Cable Management Solutions – BAKS
13
Cable Management Solutions – BAKS
58
Cable Management Solutions – BAKS
24
Cable Management Solutions – BAKS
26
Cable Management Solutions – BAKS
2.50
Cable Management Solutions – BAKS
0.18
Cable Management Solutions – BAKS
50
Add