COWC40H20/2 Ceownik - русская версия - Katalog produktów BAKS
2,0 Кабельные трассы - BAKS
Информация

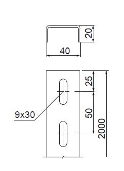
Do podwieszania lamp i jako element konstrukcyjny do mocowania drabinek i korytek morskich.
Jako element wsporczy dla wysięgników.

МАТЕРИАЛ

F - stal cynkowana metodą zanurzeniową PN-EN ISO 1461:2023-02
Na zamówienie:
E - stal nierdzewna

Версии
Кабельные трассы - BAKS Кабельные трассы - BAKS
Символ Каталожный номер 1 шт. (kg) кол-во штук в 1 комплекте
COWC40H20/2
Кабельные трассы - BAKS
424412
Кабельные трассы - BAKS
2,56
Кабельные трассы - BAKS
2
добавлять