WOP1 Adapter (mark) - русская версия - Katalog produktów BAKS
2,0 Кабельные трассы - BAKS
Информация

Montaż tras kablowych.

МАТЕРИАЛ

FP - cynkowanie metodą cynku płatkowego PN-EN ISO 10683:2018-11
Na zamówienie:
E - stal nierdzewna

Версии
Кабельные трассы - BAKS Кабельные трассы - BAKS
Символ Каталожный номер 1 шт. (kg) кол-во штук в 1 комплекте
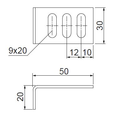
WOP1
Кабельные трассы - BAKS
498001
Кабельные трассы - BAKS
0,02
Кабельные трассы - BAKS
1
добавлять
Примеры
Кабельные трассы - BAKS Кабельные трассы - BAKS