KSC...H150 Лоток - русская версия - Katalog produktów BAKS
2,0
Информация

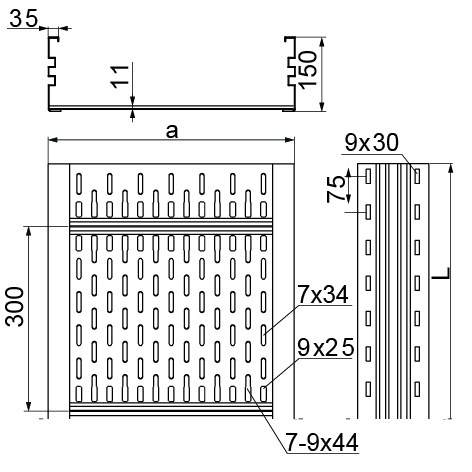
ПРИМЕНЕНИЕ

Прокладка кабельной трассы в производственных цехах или

в местах с ограниченным

количеством опорных конструкций. Высокая прочность

лотков позволяет располагать опоры даже через каждые 10 м.


МАТЕРИАЛ
сталь, оцинкованная методом

Сендимира PN-EN 10346:2011.

Под заказ:

F- сталь, оцинкованная методом

погружения PN-EN ISO 1461:2011

E- кислотостойкая сталь

L- порошковая покраска любым цветом

 

ПРИМЕЧАНИЕ.

При больших заказах могут выполняться:

- лотки длиной от 2 до 12 м.п.,

- лотки из листа толщиной 1,2÷2,5 мм.

 

 

Лотки предназначены для монтажа

кабельных держателей UKZ1, UKZ2

Внимание
Соединение лотков только с применением соединителей.
Версии
Кабельные трассы - BAKS Кабельные трассы - BAKS
Символ длинаLm ширинаaмм Каталожный номер Вес 1 пог.м (kg) Полезное сечение (мм 2 ) Количество в упаковке (шт. / m.) ФАЙЛ 3D
Кабельные трассы - BAKS
200 mm
Кабельные трассы - BAKS
27800 mm
KSC200H150/6
Кабельные трассы - BAKS
6 000 mm
Кабельные трассы - BAKS
200
Кабельные трассы - BAKS
270121
Кабельные трассы - BAKS
10 kg
Кабельные трассы - BAKS
27 800
Кабельные трассы - BAKS
1 / 6 szt. / m. b.
Plik *.std добавлять
Кабельные трассы - BAKS
300 mm
Кабельные трассы - BAKS
37600 mm
KSC300H150/6
Кабельные трассы - BAKS
6 000 mm
Кабельные трассы - BAKS
300
Кабельные трассы - BAKS
270131
Кабельные трассы - BAKS
10,90 kg
Кабельные трассы - BAKS
37 600
Кабельные трассы - BAKS
1 / 6 szt. / m. b.
Plik *.std добавлять
Кабельные трассы - BAKS
400 mm
Кабельные трассы - BAKS
50700 mm
KSC400H150/6
Кабельные трассы - BAKS
6 000 mm
Кабельные трассы - BAKS
400
Кабельные трассы - BAKS
270141
Кабельные трассы - BAKS
11,80 kg
Кабельные трассы - BAKS
50 700
Кабельные трассы - BAKS
1 / 6 szt. / m. b.
Plik *.std добавлять
Кабельные трассы - BAKS
500 mm
Кабельные трассы - BAKS
63900 mm
KSC500H150/6
Кабельные трассы - BAKS
6 000 mm
Кабельные трассы - BAKS
500
Кабельные трассы - BAKS
270151
Кабельные трассы - BAKS
12,70 kg
Кабельные трассы - BAKS
63 900
Кабельные трассы - BAKS
1 / 6 szt. / m. b.
Plik *.std добавлять
Кабельные трассы - BAKS
600 mm
Кабельные трассы - BAKS
87800 mm
KSC600H150/6
Кабельные трассы - BAKS
6 000 mm
Кабельные трассы - BAKS
600
Кабельные трассы - BAKS
270161
Кабельные трассы - BAKS
13,60 kg
Кабельные трассы - BAKS
87 800
Кабельные трассы - BAKS
1 / 6 szt. / m. b.
Plik *.std добавлять
Нагрузка
Кабельные трассы - BAKS Кабельные трассы - BAKS

Qdop. (kN/m)
0.0
L (m)
0.0
Заполнение
Кабельные трассы - BAKS Кабельные трассы - BAKS
Кабельные трассы - BAKS
Кабель 1
Кабельные трассы - BAKS
Кабельные трассы - BAKS
Кабель 2
Кабельные трассы - BAKS
Кабельные трассы - BAKS
Кабель 3
Кабельные трассы - BAKS
Кабельные трассы - BAKS
Кабель 4
Кабельные трассы - BAKS
Кабельные трассы - BAKS
 
 
Предоставление заполнения (%)
Кабельные трассы - BAKS
Поправка на заполнение (%)
Кабельные трассы - BAKS