KSG...H60 Проволочные лотки – сварные лотки из гальванической проволоки - русская версия - Katalog produktów BAKS

KSG...H60 Проволочные лотки – сварные лотки из гальванической проволоки

Кабельные трассы - BAKS Кабельные трассы - BAKS
Информация

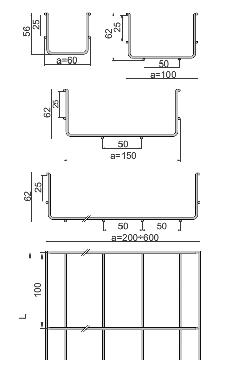
ПРИМЕНЕНИЕ

Выполнение кабельной трассы.

 

МАТЕРИАЛ

Проволока, оцинкованная гальваническим методом перед
процессом сварки
Под заказ:
L- порошковая покраска любым цветом

 

Все проволочные лотки имеют
срезанные концы проволоки, предотвращающие
повреждение кабелей

Проволочные лотки 35H35 и 50H35 будут доступны со второго
квартала 2013

Версии
Кабельные трассы - BAKS Кабельные трассы - BAKS
Символ Каталожный номер ширинаaмм Полезное сечение (мм 2 ) длинаLm Вес 1 пог.м (kg) Количество в упаковке (шт. / m.) ФАЙЛ 3D
Кабельные трассы - BAKS
60 mm
Кабельные трассы - BAKS
2200 mm
KSG60H60/3
Кабельные трассы - BAKS
960210
Кабельные трассы - BAKS
60
Кабельные трассы - BAKS
2 200
Кабельные трассы - BAKS
3 000 mm
Кабельные трассы - BAKS
0,51 kg
Кабельные трассы - BAKS
8 / 24 szt. / m. b.
Plik *.std добавлять
Кабельные трассы - BAKS
100 mm
Кабельные трассы - BAKS
4300 mm
KSG100H60/3
Кабельные трассы - BAKS
960220
Кабельные трассы - BAKS
100
Кабельные трассы - BAKS
4 300
Кабельные трассы - BAKS
3 000 mm
Кабельные трассы - BAKS
0,73 kg
Кабельные трассы - BAKS
8 / 24 szt. / m. b.
Plik *.std добавлять
Кабельные трассы - BAKS
150 mm
Кабельные трассы - BAKS
7000 mm
KSG150H60/3
Кабельные трассы - BAKS
960230
Кабельные трассы - BAKS
150
Кабельные трассы - BAKS
7 000
Кабельные трассы - BAKS
3 000 mm
Кабельные трассы - BAKS
0,78 kg
Кабельные трассы - BAKS
8 / 24 szt. / m. b.
Plik *.std добавлять
Кабельные трассы - BAKS
200 mm
Кабельные трассы - BAKS
9400 mm
KSG200H60/3
Кабельные трассы - BAKS
960240
Кабельные трассы - BAKS
200
Кабельные трассы - BAKS
9 400
Кабельные трассы - BAKS
3 000 mm
Кабельные трассы - BAKS
1 kg
Кабельные трассы - BAKS
4 / 12 szt. / m. b.
Plik *.std добавлять
Кабельные трассы - BAKS
300 mm
Кабельные трассы - BAKS
14600 mm
KSG300H60/3
Кабельные трассы - BAKS
960250
Кабельные трассы - BAKS
300
Кабельные трассы - BAKS
14 600
Кабельные трассы - BAKS
3 000 mm
Кабельные трассы - BAKS
1,76 kg
Кабельные трассы - BAKS
4 / 12 szt. / m. b.
Plik *.std добавлять
Кабельные трассы - BAKS
400 mm
Кабельные трассы - BAKS
19800 mm
KSG400H60/3
Кабельные трассы - BAKS
960260
Кабельные трассы - BAKS
400
Кабельные трассы - BAKS
19 800
Кабельные трассы - BAKS
3 000 mm
Кабельные трассы - BAKS
2,14 kg
Кабельные трассы - BAKS
2 / 6 szt. / m. b.
Plik *.std добавлять
Кабельные трассы - BAKS
500 mm
Кабельные трассы - BAKS
25000 mm
KSG500H60/3
Кабельные трассы - BAKS
960270
Кабельные трассы - BAKS
500
Кабельные трассы - BAKS
25 000
Кабельные трассы - BAKS
3 000 mm
Кабельные трассы - BAKS
3,09 kg
Кабельные трассы - BAKS
2 / 6 szt. / m. b.
Plik *.std добавлять
Кабельные трассы - BAKS
600 mm
Кабельные трассы - BAKS
30200 mm
KSG600H60/3
Кабельные трассы - BAKS
960280
Кабельные трассы - BAKS
600
Кабельные трассы - BAKS
30 200
Кабельные трассы - BAKS
3 000 mm
Кабельные трассы - BAKS
3,56 kg
Кабельные трассы - BAKS
2 / 6 szt. / m. b.
Plik *.std добавлять
Нагрузка
Кабельные трассы - BAKS Кабельные трассы - BAKS

Qdop. (kN/m)
0.0
L (m)
0.0
Заполнение
Кабельные трассы - BAKS Кабельные трассы - BAKS
Кабельные трассы - BAKS
Кабель 1
Кабельные трассы - BAKS
Кабельные трассы - BAKS
Кабель 2
Кабельные трассы - BAKS
Кабельные трассы - BAKS
Кабель 3
Кабельные трассы - BAKS
Кабельные трассы - BAKS
Кабель 4
Кабельные трассы - BAKS
Кабельные трассы - BAKS
 
 
Предоставление заполнения (%)
Кабельные трассы - BAKS
Поправка на заполнение (%)
Кабельные трассы - BAKS
Примеры
Кабельные трассы - BAKS Кабельные трассы - BAKS