ZCS Зажим - русская версия - Katalog produktów BAKS
Информация

ПРИМЕНЕНИЕ

Крепление прутьев, обойм и т.п.

к двутаврам, уголкам и т.п.


МАТЕРИАЛ
Cталь, оцинкованная методом погружения

PN-EN ISO 1461:2011

Под заказ:

E- кислотостойкая сталь PN-EN 10088
L- покрваска в стандартный цвет RAL
(раздел ИНФО, 2. страница)


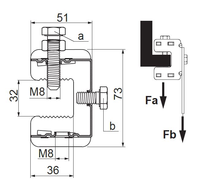
Зажим ZCS имеет 3 резьбовые отверстия M8
обеспечивающие возможность монтажа при помощи болта

Версии
Кабельные трассы - BAKS Кабельные трассы - BAKS
Символ Каталожный номер доп.нагрузкаFa max(кН) доп.нагрузкаFb max(кН) 1 шт. (kg) кол-во штук в 1 комплекте
ZCS
Кабельные трассы - BAKS
752502
Кабельные трассы - BAKS
2
Кабельные трассы - BAKS
0,60
Кабельные трассы - BAKS
0,20
Кабельные трассы - BAKS
50
добавлять