ZCV Зажим - русская версия - Katalog produktów BAKS
5,0
Информация

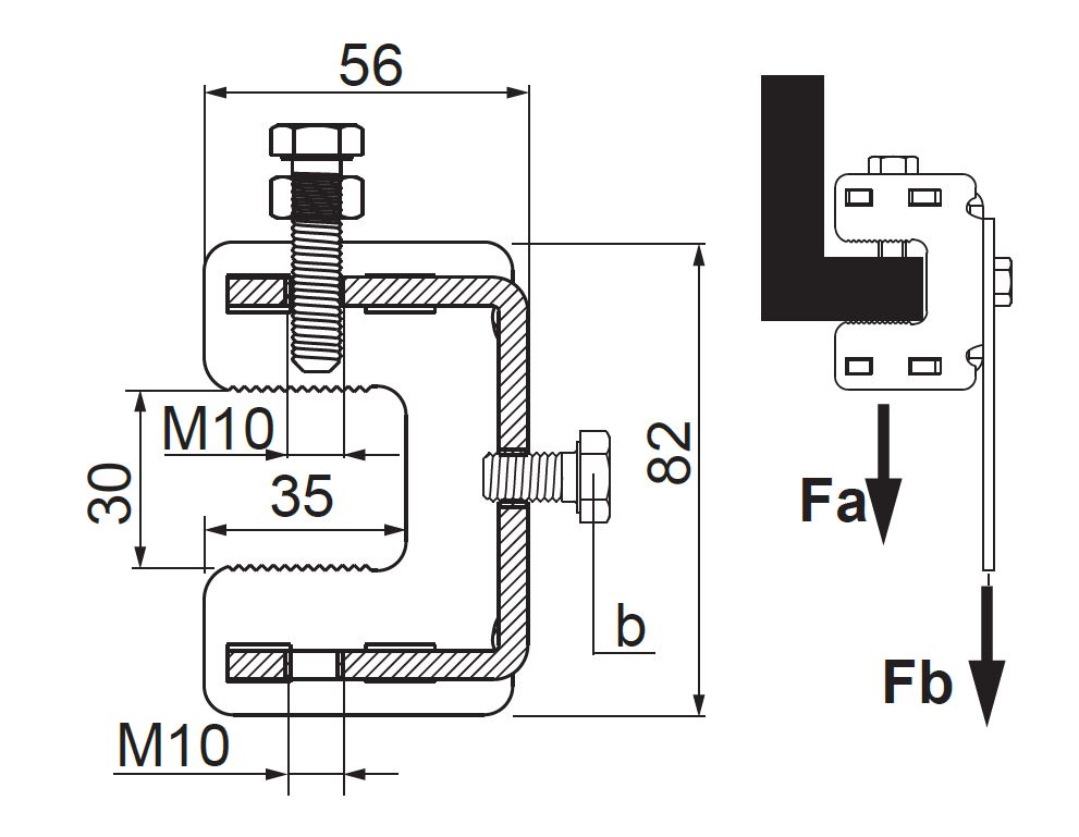
ПРИМЕНЕНИЕ

Крепление прутьев, обойм и т.п.

к двутаврам, уголкам и т.п.


МАТЕРИАЛ
Cталь, оцинкованная методом погружения

PN-EN ISO 1461:2011

Под заказ:

E- кислотостойкая сталь

L- порошковая покраска любым цветом

Версии
Кабельные трассы - BAKS Кабельные трассы - BAKS
Символ Каталожный номер доп.нагрузкаFa max(кН) доп.нагрузкаFb max(кН) 1 шт. (kg) кол-во штук в 1 комплекте
ZCV
Кабельные трассы - BAKS
752301
Кабельные трассы - BAKS
3,50
Кабельные трассы - BAKS
2
Кабельные трассы - BAKS
0,40
Кабельные трассы - BAKS
30
добавлять
Примеры
Кабельные трассы - BAKS Кабельные трассы - BAKS