KOJ...H42 Kabelrinne - Katalog produktów BAKS

KOJ...H42 Kabelrinne

1,0
Informationen

Verlegung von Kabeltrassen.

Material

S - Stahl verzinkt nach dem Sendzimir-Verfahren PN-EN 10346:2015-09
Auf Bestellung:
F - Feuerverzinkter Stahl im Tauchverfahren PN-EN ISO 1461:2023-02
E - Edelstahl
L - Pulverbeschichtung in einer standardmäßigen Farbe RAL

Zusätzliche Informationen

– verbinderloses System – Verbindung von Kabelrinnen durch Aufsetzen und Ineinanderschieben sowie

verschrauben mit SGKM6x12 oder SGM6x12 Schrauben

– Bei Verwendung eines Ersatzproduktes mit einer anderen Höhe müssen alle Systemkomponente diesem

Parameter entsprechen

– Option F für Bestellungen von über 300 m verfügbar

Version
BAKS – Kabeltragsysteme BAKS – Kabeltragsysteme
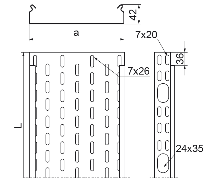
Symbol Katalog-Nr. Breite a mm Länge L mm 1 lfdm (kg) (kg) Menge in Packung (Stück / m.) NUTZQUER-SCHNITT (mm²)
BAKS – Kabeltragsysteme
50 mm
BAKS – Kabeltragsysteme
1900 mm
KOJ50H42/3
BAKS – Kabeltragsysteme
141405
BAKS – Kabeltragsysteme
50
BAKS – Kabeltragsysteme
3 000 mm
BAKS – Kabeltragsysteme
0,83 kg
BAKS – Kabeltragsysteme
4 / 12 Stück/m
BAKS – Kabeltragsysteme
1.900
Dazugeben
BAKS – Kabeltragsysteme
100 mm
BAKS – Kabeltragsysteme
4000 mm
KOJ100H42/3
BAKS – Kabeltragsysteme
141410
BAKS – Kabeltragsysteme
100
BAKS – Kabeltragsysteme
3 000 mm
BAKS – Kabeltragsysteme
1,26 kg
BAKS – Kabeltragsysteme
4 / 12 Stück/m
BAKS – Kabeltragsysteme
4.000
Dazugeben
BAKS – Kabeltragsysteme
150 mm
BAKS – Kabeltragsysteme
6100 mm
KOJ150H42/3
BAKS – Kabeltragsysteme
141415
BAKS – Kabeltragsysteme
150
BAKS – Kabeltragsysteme
3 000 mm
BAKS – Kabeltragsysteme
1,56 kg
BAKS – Kabeltragsysteme
4 / 12 Stück/m
BAKS – Kabeltragsysteme
6.100
Dazugeben
BAKS – Kabeltragsysteme
200 mm
BAKS – Kabeltragsysteme
8200 mm
KOJ200H42/3
BAKS – Kabeltragsysteme
141420
BAKS – Kabeltragsysteme
200
BAKS – Kabeltragsysteme
3 000 mm
BAKS – Kabeltragsysteme
1,87 kg
BAKS – Kabeltragsysteme
4 / 12 Stück/m
BAKS – Kabeltragsysteme
8.200
Dazugeben
Ausfüllung
BAKS – Kabeltragsysteme BAKS – Kabeltragsysteme
BAKS – Kabeltragsysteme
Kabel 1
BAKS – Kabeltragsysteme
BAKS – Kabeltragsysteme
Kabel 2
BAKS – Kabeltragsysteme
BAKS – Kabeltragsysteme
Kabel 3
BAKS – Kabeltragsysteme
BAKS – Kabeltragsysteme
Kabel 4
BAKS – Kabeltragsysteme
BAKS – Kabeltragsysteme
 
 
Ausfüllungsreserve (%)
BAKS – Kabeltragsysteme
Ausfüllungskorrektur (%)
BAKS – Kabeltragsysteme
Verbundene Produkte (54)
BAKS – Kabeltragsysteme BAKS – Kabeltragsysteme
Zeige mehr (+38)